EasyManua.ls Logo

Valeo REVO-E - Page 52

Valeo REVO-E
88 pages
Print Icon
To Next Page IconTo Next Page
To Next Page IconTo Next Page
To Previous Page IconTo Previous Page
To Previous Page IconTo Previous Page
Loading...
606
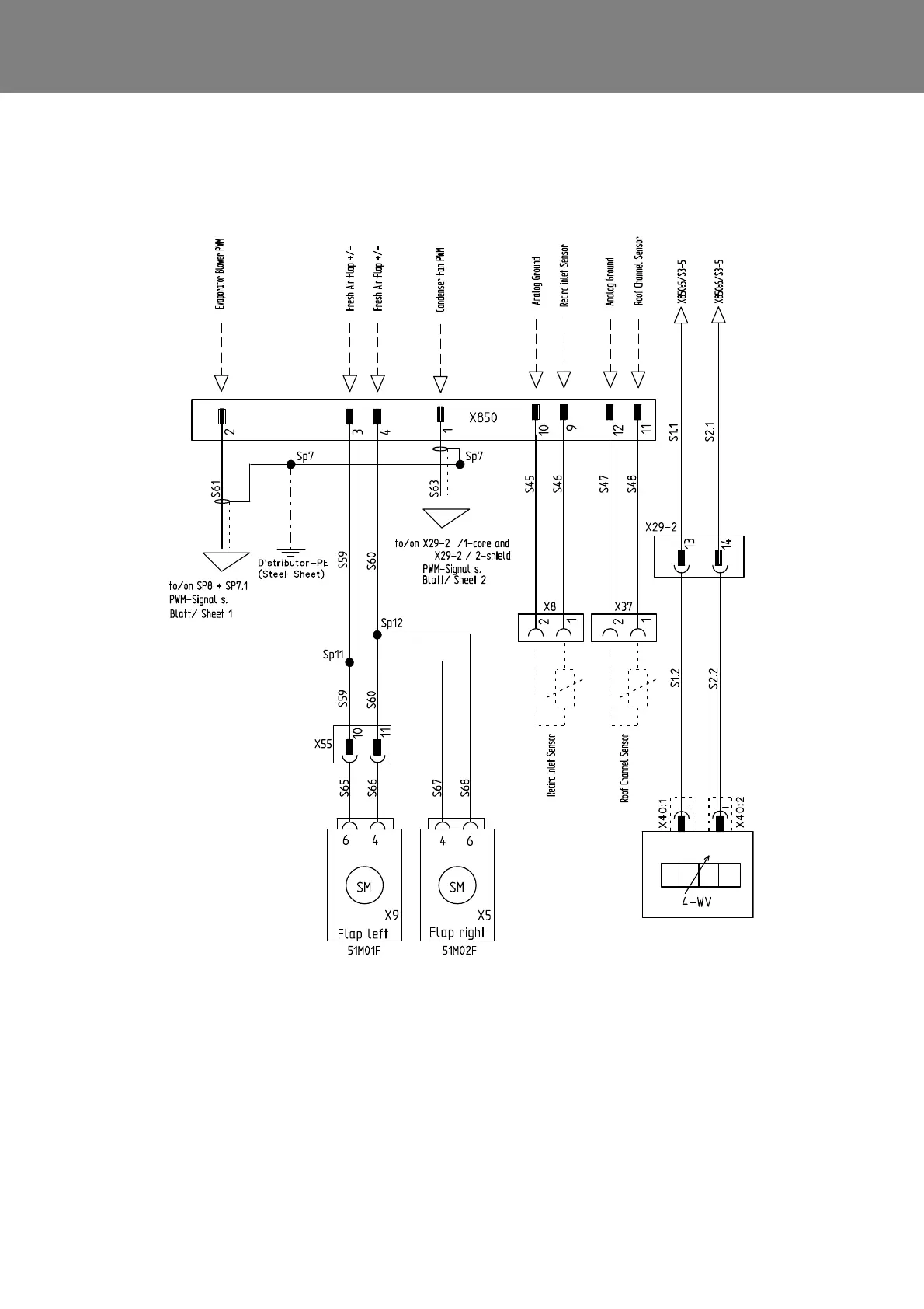
REVO-E Heat pump 6 Wiring plan
Fig. 601 Wiring diagram for REVO-E HP (Sheet 5)

Table of Contents

Other manuals for Valeo REVO-E

Related product manuals