EasyManua.ls Logo

VDO MR6000 - Page 172

VDO MR6000
348 pages
Print Icon
To Next Page IconTo Next Page
To Next Page IconTo Next Page
To Previous Page IconTo Previous Page
To Previous Page IconTo Previous Page
Loading...
172
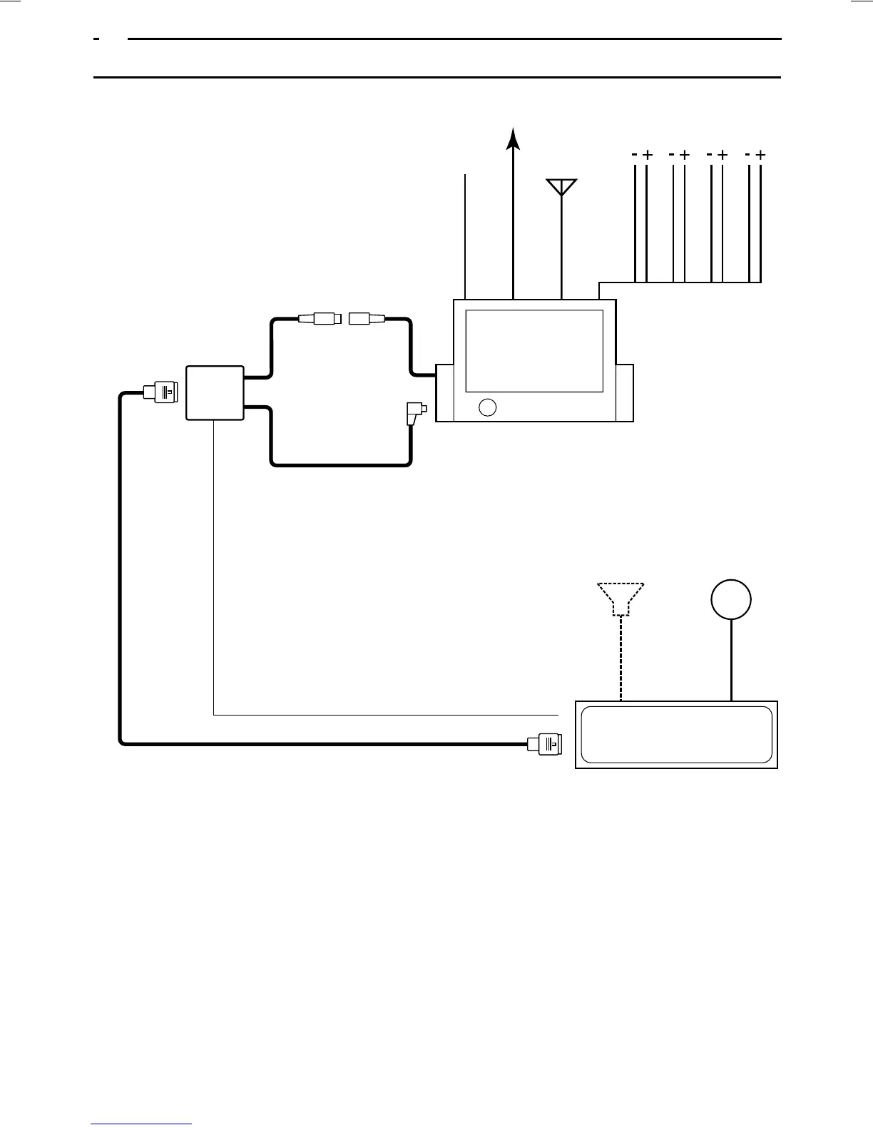
9. VOORBEELD SYSTEMEN
Voorbeeld systeem 1
* Sluit het compositiebeeld van videobronnen via de 8-pins
Mini-DIN-videobus aan. Sluit de RGB-beeldbronnen via de
8-pins DIN-RGB-bus aan.
* Zie pagina 160 voor een correcte configuratie van de in-
gang van het apparaat.
* Bij het aansluiten van een navigatiesysteem kan geen CCD-
camera worden aangesloten.
GPS-ANTENNE
RGB-KABEL
MINI-DIN-
KABEL (8 POL)
STILSCHAKELING TEL.
ANTENNE
UKW-TUNER/
BASISAPPARAAT
LUIDSPREKER (V/L)
LUIDSPREKER (V/R)
LUIDSPREKER (H/L)
LUIDSPREKER (H/R)
MR 6000
(BASISAPPARAAT)
PC 5000
(NAVIGATIE)
ADAPTERBOX
MUTE-LEIDING –> PIN A3
RGB-KABEL
STURING MOTOR ANTENNE

Table of Contents

Related product manuals