EasyManua.ls Logo

VDO MR6000 - Example System 1

VDO MR6000
348 pages
Print Icon
To Next Page IconTo Next Page
To Next Page IconTo Next Page
To Previous Page IconTo Previous Page
To Previous Page IconTo Previous Page
Loading...
46
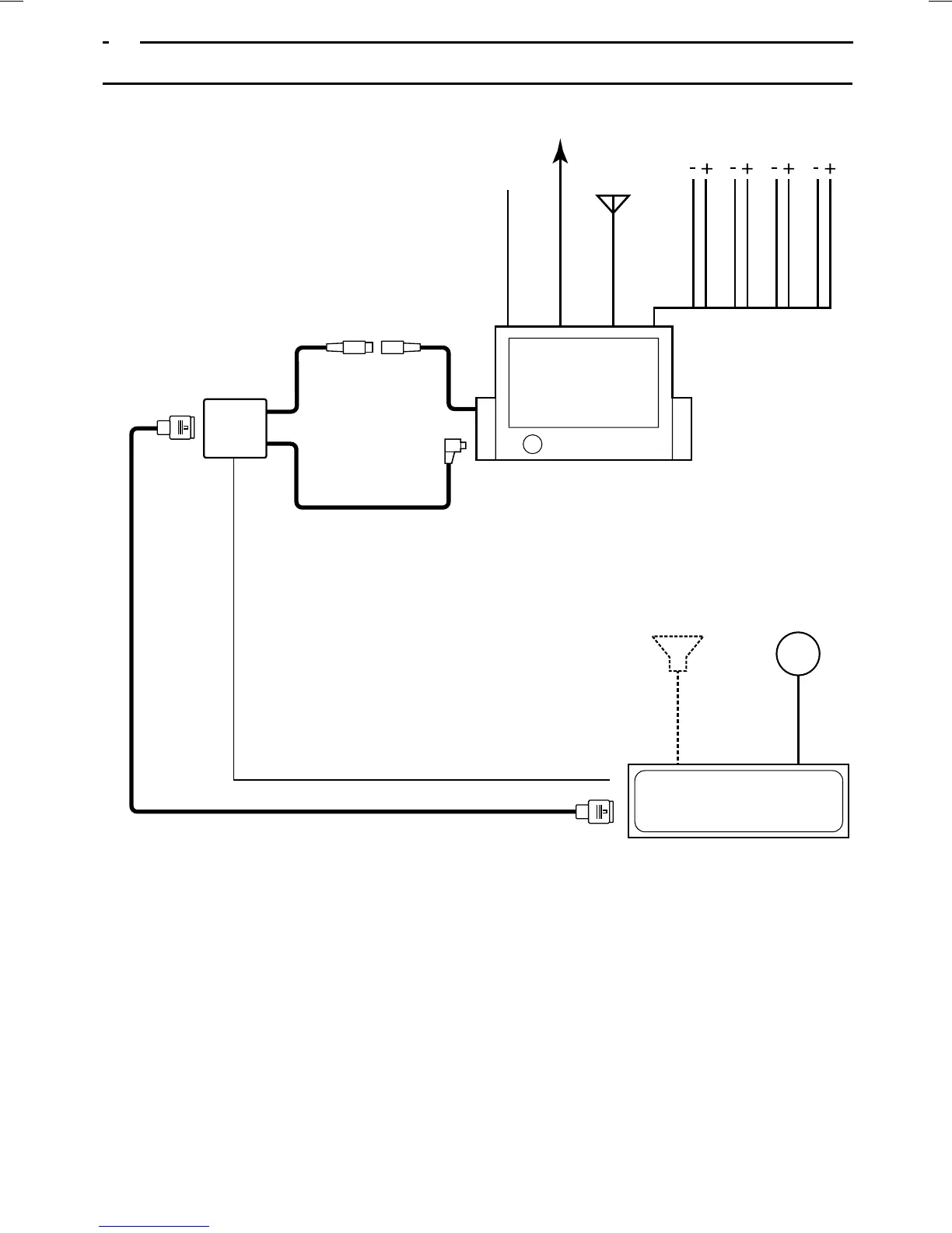
9. EXAMPLE SYSTEMS
Example system 1
* Connect composite picture video sources via the 8 pin mini
DIN video socket. Connect RGB picture sources via the
8 pin DIN RGB socket.
* See Page 32 for the correct unit input configuration.
* A CCD camera cannot be connected if a navigation
system is connected.
AUTOMATIC ANTENNA
GPS ANTENNA
RGB CABLE
MINI DIN CABLE
(8 TERMINAL)
TEL. MUTE
FUNCTION
ANTENNA
FM TUNER /
MAIN UNIT
LOUDSPEAKER (F/L)
LOUDSPEAKER (F/R)
LOUDSPEAKER (R/L)
LOUDSPEAKER (R/R)
MR 6000
(MAIN UNIT)
PC 5000
(NAVIGATION)
ADAPTOR BOX
MUTE CABLE –> PIN A3
RGB CABLE

Table of Contents

Related product manuals