EasyManua.ls Logo

Vento Phantom R4i - Power Transmission

Default Icon
88 pages
Print Icon
To Next Page IconTo Next Page
To Next Page IconTo Next Page
To Previous Page IconTo Previous Page
To Previous Page IconTo Previous Page
Loading...
VENTO MOTORCYCLES
Rev no.01/ page 42of 84
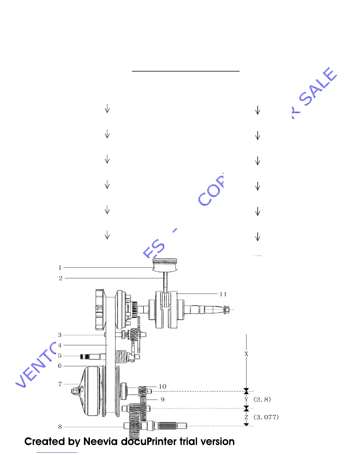
P O W E R T R A N S M I S S I O N
From engine
Piston (1)
Connecting rod (2)
Crank (11)
Driving disc
Driven disc (6)
Clutch (7)
Gearbox input axes
(10)
From kick start
Kicking start shaft
Kicking start axes (5)
Start gear
Transition little gear
Transition big gear
Crank start driven gear
Crank (11)
XReduction Ratio
YPrimary Reduction Ratio 15/42
Z
Secondary Reduction R
atio
13/40

Table of Contents