EasyManua.ls Logo

Wacker Neuson 803 - Overview of Adhesive Labels

Wacker Neuson 803
228 pages
Print Icon
To Next Page IconTo Next Page
To Next Page IconTo Next Page
To Previous Page IconTo Previous Page
To Previous Page IconTo Previous Page
Loading...
1-10 OM 803 us – Edition 3.7 * * 803b110.fm
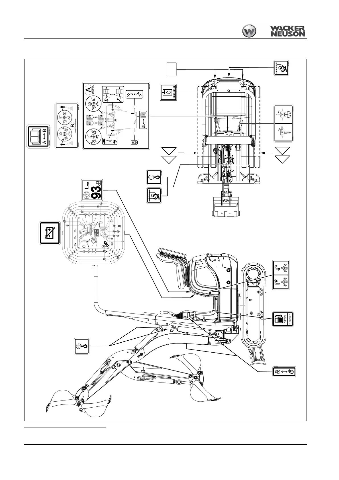
Introduction
1.12 Overview of adhesive labels
1
1. Number and position of adhesive labels can differ depending on country.

Table of Contents

Other manuals for Wacker Neuson 803

Related product manuals