EasyManua.ls Logo

Weatherdock EasyTRX 3 - External Signal Generator

Default Icon
81 pages
Print Icon
To Next Page IconTo Next Page
To Next Page IconTo Next Page
To Previous Page IconTo Previous Page
To Previous Page IconTo Previous Page
Loading...
Weatherdock AG Seite 13
www.easyAIS.com
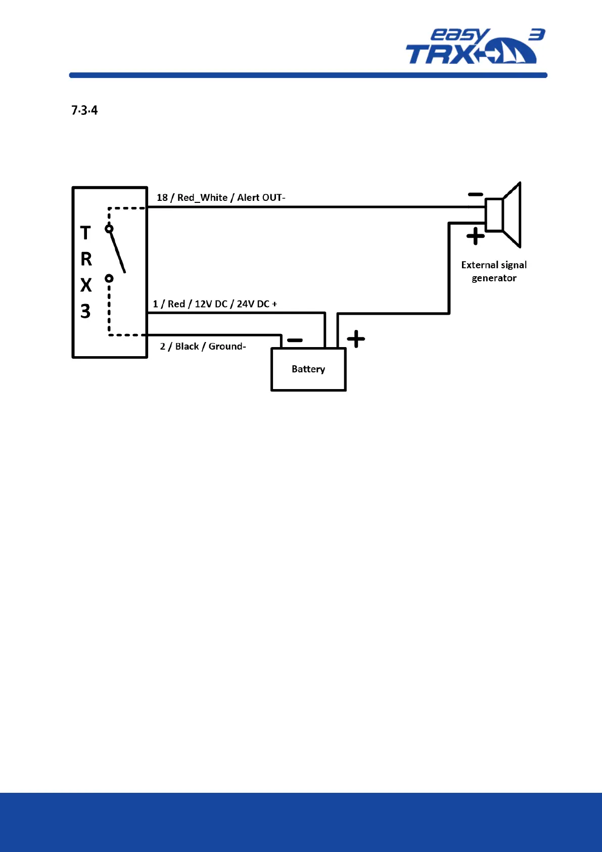
External signal generator
Out of the 18-pin cable harness please connect cable “18 / Red_White / Alert OUT-“ with the
corresponding pole of the signal generator. Due to the already given power supply of the
easyTRX3 via cable “2 / Black / Ground-“ and “1 / Red / 12V DC / 24V DC +” you just have to
connect the signal generator “+” pole to the power supply to close the circuit.
Figure: 7 External signal generator connection sketch

Table of Contents