EasyManua.ls Logo

WEG CFW701 - Page 105

WEG CFW701
191 pages
Print Icon
To Next Page IconTo Next Page
To Next Page IconTo Next Page
To Previous Page IconTo Previous Page
To Previous Page IconTo Previous Page
Loading...
100 | CFW701
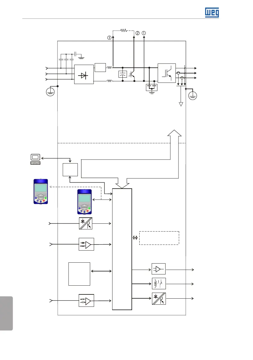
Informações Gerais
Português
Entradas
analógicas
AI1 a AI3
Entrada
para PTC
Módulo
memória
FLASH
(Slot 5)
Entradas
digitais
DI1 a DI8
Fontes para eletrônica e interfaces
entre potência e controle
RS-485
PC
POTÊNCIA
CONTROLE
Retificador
trifásico
Filtro RFI C3
(*)
Motor
U/T1
V/T2
W/T3
DC+ DC-BR
Inversor
com
transistores
IGBT
Rede de
alimentação
R/L1/L
S/L2/N
T/L3
= Conexão link CC
= Conexão para resistor
de frenagem
Pré-
carga
Software WPS
Software WLP
Indutores Link CC
Banco capacitores Link CC
IGBT de frenagem
(disponível nos Inversores
CFW701...DB...)
Filtro
RFI
HMI
CC701
Cartão de
controle
com CPU
32 bits
"RISC"
Saídas
analógicas
AO1 e AO2
Saídas digitais
DO1 (RL1) e
DO2 (RL2)
Saídas digitais
DO3 a DO5
HMI (remota)
Realimentações:
- teno
- corrente
PE
PE
COMM 1
(Slot 3 - verde)
Acessórios
= Interface homem-máquina
(*) O capacitor contra o terra do filtro RFI C3 (nos modelos da mecânica A é possível
atender a categoria C2) deve ser desconectado para redes IT e delta aterrado.
Consulte o Item 3.2.3.1 Conexões de Entrada na página 110.
Figura 2.1: Blocodiagrama do CFW701

Table of Contents

Other manuals for WEG CFW701

Related product manuals