EasyManua.ls Logo

WEG CFW701 - Page 57

WEG CFW701
191 pages
Print Icon
To Next Page IconTo Next Page
To Next Page IconTo Next Page
To Previous Page IconTo Previous Page
To Previous Page IconTo Previous Page
Loading...
52 | CFW701
Español
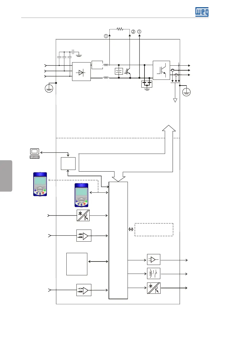
Informaciones Generales
Entradas
analógicas
AI1 a AI3
Entrada para
PTC
Módulo de
memória
FLASH
(Slots)
Entradas
digitales
DI1 a DI8
Fuentes para electrónica y interfaces
entre potencia y control
RS-485
PC
POTENCIA
CONTROL
Retificador
trifásico
Filtro RFI C3
(*)
Motor
U/T1
V/T2
W/T3
DC+ DC-BR
Convertidor
con
transistores
IGBT
Red de
alimentación
R/L1/L
S/L2/N
T/L3
= Conexn del link CC
= Conexn para el
resistor de frenado
Precarga
Software WPS
Software WLP
Indutores Link CC
Banco de condensadores
Link CC
IGBT de frenado
(disponible en los
convertidores CFW701...DB...)
Filtro
RFI
HMI
CC701
Tarjeta de
control
con CPU
32 bits
“RISC”
Salidas
analógicas
AO1 y AO2
Salidas
digitales
DO1 (RL1) y
DO2 (RL2)
Salidas
digitales
DO3 a DO5
HMI
(remota)
Realimentaciones:
- tensión
- corriente
PE
PE
COMM 1
(Slot 3 - verde)
Accesorios
= Interface hombre-máquina
(*) El capacitor contra tierra del filtro RFI C3 (en los modelos del tamaño A es
posible atender la categoa C2) debe desconectarse para redes IT y para delta
puesta a tierra. Consulte el Ítem 3.2.3.1 Conexiones de Entrada en la página 62.
Figura 2.1: Diagrama de bloque del CFW701

Table of Contents

Other manuals for WEG CFW701

Related product manuals