EasyManua.ls Logo

Woods 208-2 - 208-2 PULL-TYPE ASSEMBLY; Tailwheel Yoke & Tailwheel Installation; Tongue Installation; Attitude Rod Installation

Woods 208-2
74 pages
Print Icon
To Next Page IconTo Next Page
To Next Page IconTo Next Page
To Previous Page IconTo Previous Page
To Previous Page IconTo Previous Page
Loading...
30 Assembly
32394 (Rev. 9/3/2004)
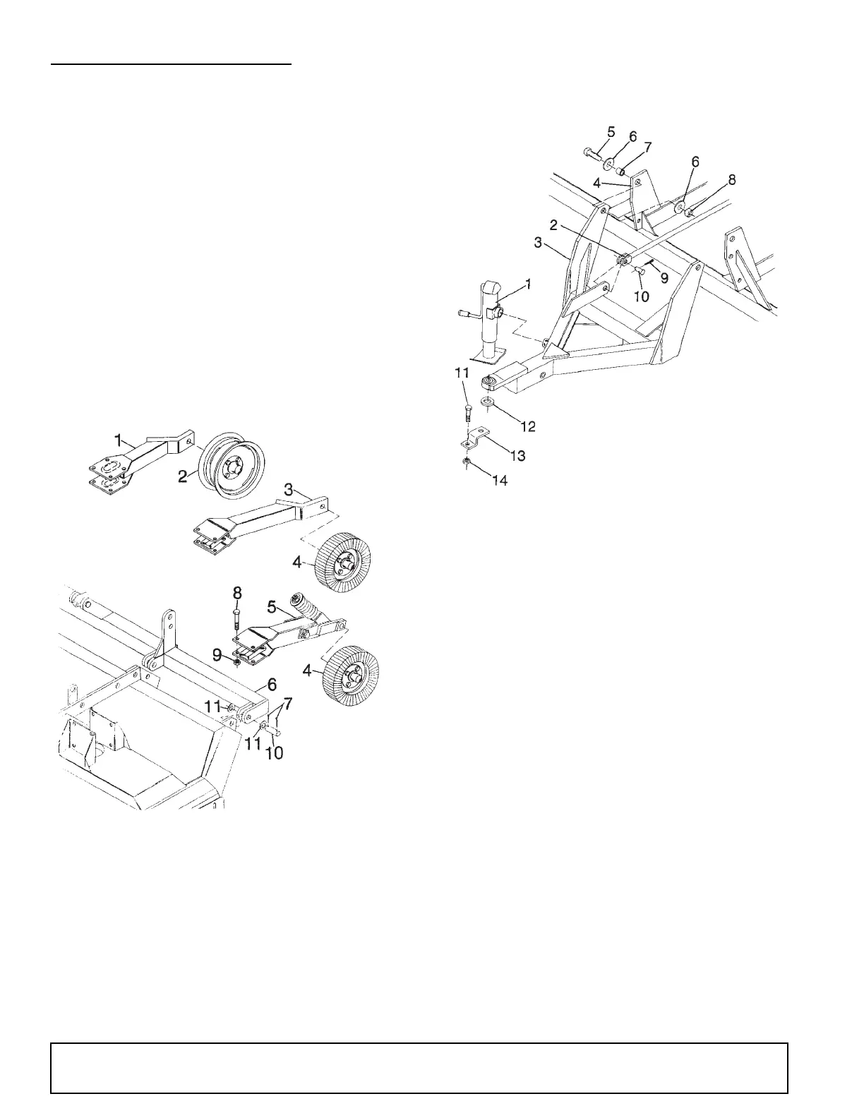
208-2 PULL-TYPE ASSEMBLY
Tailwheel Yoke & Tailwheel Installation
Attach wheel yoke tube (6) to rear of cutter by aligning
it with the three attachment points. Slide clevis brackets
of tube over the attachment points and attach with
clevis pin (10). Place a washer (11) on each end of the
clevis pins and secure with cotter pins (7).
There are three options for wheel yoke arms: one
designed for pneumatic tires, a standard yoke for
laminated tires, and a spring-loaded yoke for laminated
tires.
Install your choice of the three wheel yoke arms to
wheel yoke tubes. They should be located near each
end of the wheel yoke tube. Attach with bolts (8) and
nuts (9). Arms should fit snugly on wheel yoke tube.
Assemble the 15" wheel hub, or laminated tire hub, to
the wheel yoke arms. Torque according to values given
on the bolt torque chart, page 68.
Figure 21. Tailwheel Yoke & Tailwheel
Installation Pull-Type
Tongue Installation (Figure 22)
Attach tongue (3) to cutter main frame mast plates (4)
by placing washer (6) on bolt (5), inserting sleeve (7) in
mast plate, and inserting bolt through mast plate and
tongue. Place washer (6) on bolt and secure with
locknut (8). Repeat for opposite side of tongue. Tighten
hardware.
Install parking jack (1) and secure to tongue.
Figure 22. Tongue Installation - Pull-Type
Attitude Rod Installation
(Figure 22 & Figure 23)
From in front of cutter, slide attitude rod (2), Figure 23,
through slots in right gearbox drive shielding and into
pivot block (1). Attach clevis end (front end) of attitude
rod to tongue as shown in Figure 22 with clevis pin (10)
and secure with cotter pin (9). Place spacer (9), Figure
23, washer (23) and nuts (22) on rear end of attitude
rod. Do not tighten nuts at this time.
DB2155SC
DB2158
1. Parking jack
2. Attitude rod
3. Tongue
4. Mast plate (front)
5. 3/4 x 2-1/2” Bolt
6. 3/4” SAE Flat washer
7. 3/4 x 1-1/8 x 13/16” Sleeve HT
8. 3/4” Locknut
9. 1/4 x 1-1/2” Cotter pin
10. 1 x 2-1/2” Clevis pin
11. 5/8 x 2-1/2” Bolt
12. 1-1/16 x 2-3/4 x 1/4” Washer
13. Tractor drawbar tongue bracket
14. 5/8” Locknut

Table of Contents

Related product manuals