EasyManua.ls Logo

Yamaha YZ250F(E) - Page 76

Yamaha YZ250F(E)
356 pages
Print Icon
To Next Page IconTo Next Page
To Next Page IconTo Next Page
To Previous Page IconTo Previous Page
To Previous Page IconTo Previous Page
Loading...
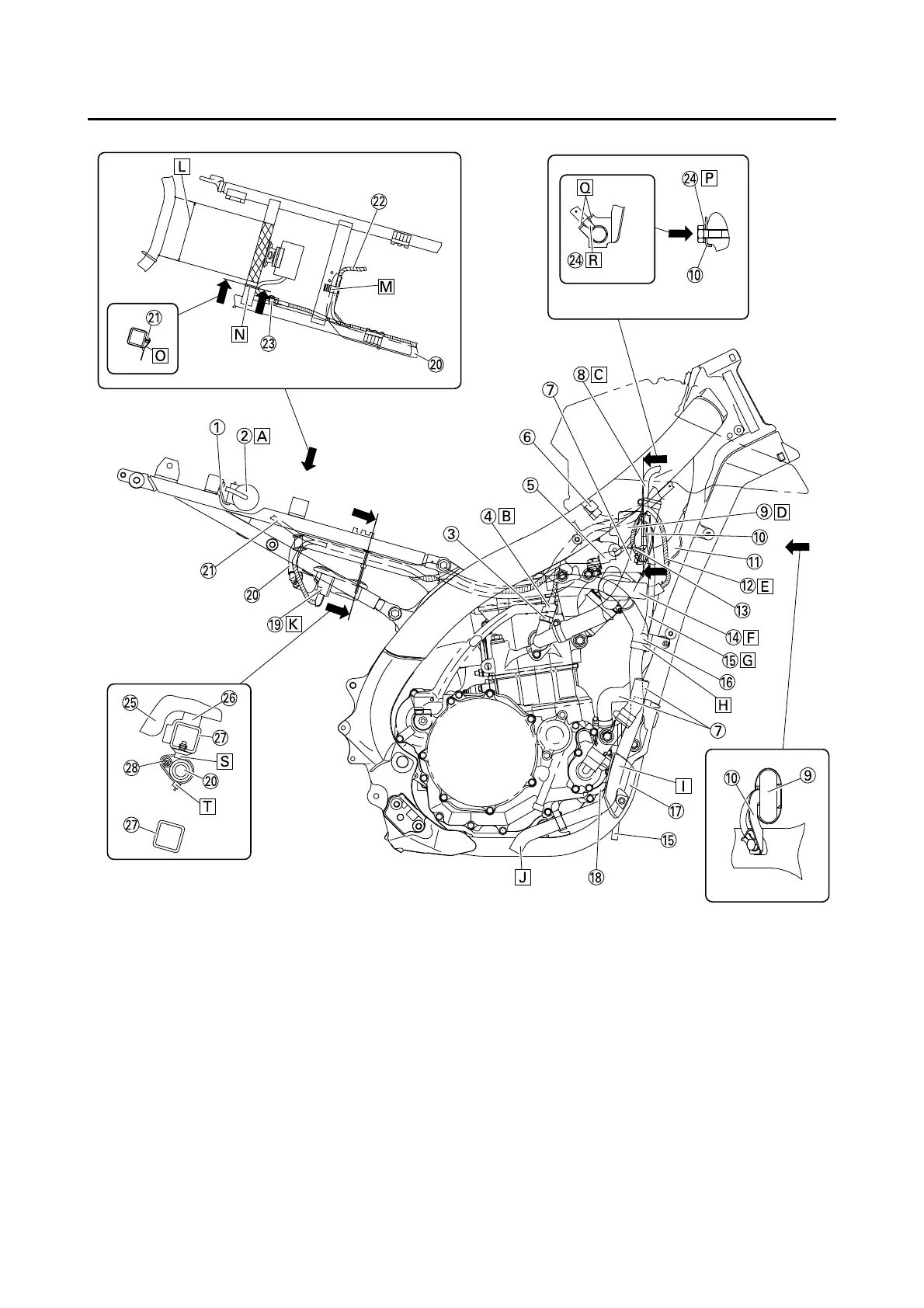
CABLE ROUTING DIAGRAM
2-33

Table of Contents

Related product manuals