EasyManua.ls Logo

YASKAWA Varispeed V7 - Using PID Control Mode; PID Control Selection (n128)

YASKAWA Varispeed V7
256 pages
Print Icon
To Next Page IconTo Next Page
To Next Page IconTo Next Page
To Previous Page IconTo Previous Page
To Previous Page IconTo Previous Page
Loading...
7. Programming Features
179
Using PID Control Mode
For details on the PID control settings, refer to the block diagram of the
Inverters internal PID control or the block diagram of the Operator ana-
log speed reference.
PID Control Selection (n128)
Yaskawa
Inverter Motor
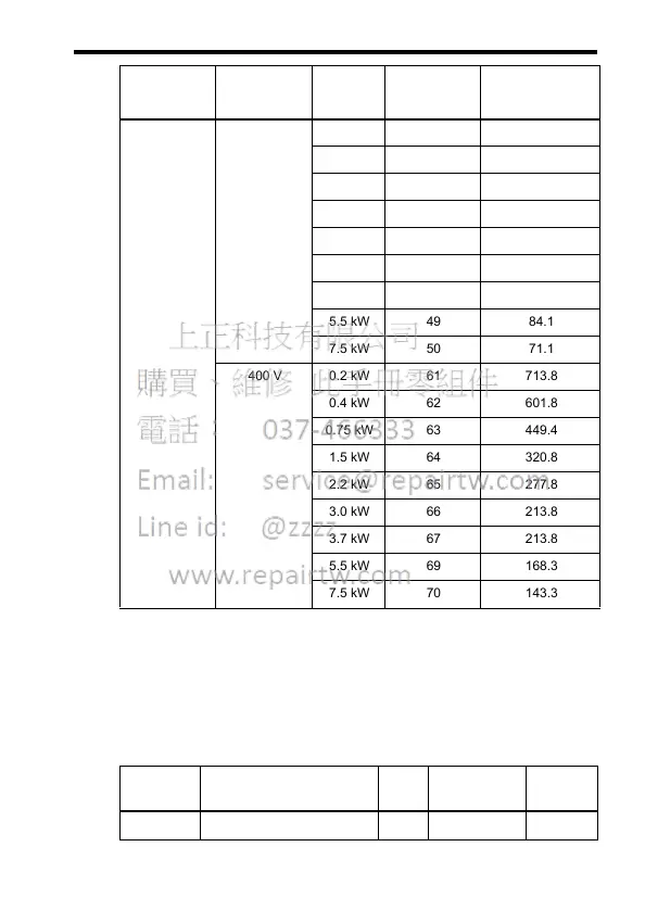
200 V 0.1 kW 40 481.7
0.2 kW 41 356.9
0.4 kW 42 300.9
0.75 kW 43 224.7
1.5 kW 44 160.4
2.2 kW 45 138.9
3.7 kW 47 106.9
5.5 kW 49 84.1
7.5 kW 50 71.1
400 V 0.2 kW 61 713.8
0.4 kW 62 601.8
0.75 kW 63 449.4
1.5 kW 64 320.8
2.2 kW 65 277.8
3.0 kW 66 213.8
3.7 kW 67 213.8
5.5 kW 69 168.3
7.5 kW 70 143.3
Constant
No.
Name Unit Setting
Range
Factory
Setting
n128 PID Control Selection 0 to 8 0
Motor Type Voltage Class Capacity Motor Code:
n158
Energy-saving
Coefficient K2:
n140

Table of Contents

Related product manuals