EasyManua.ls Logo

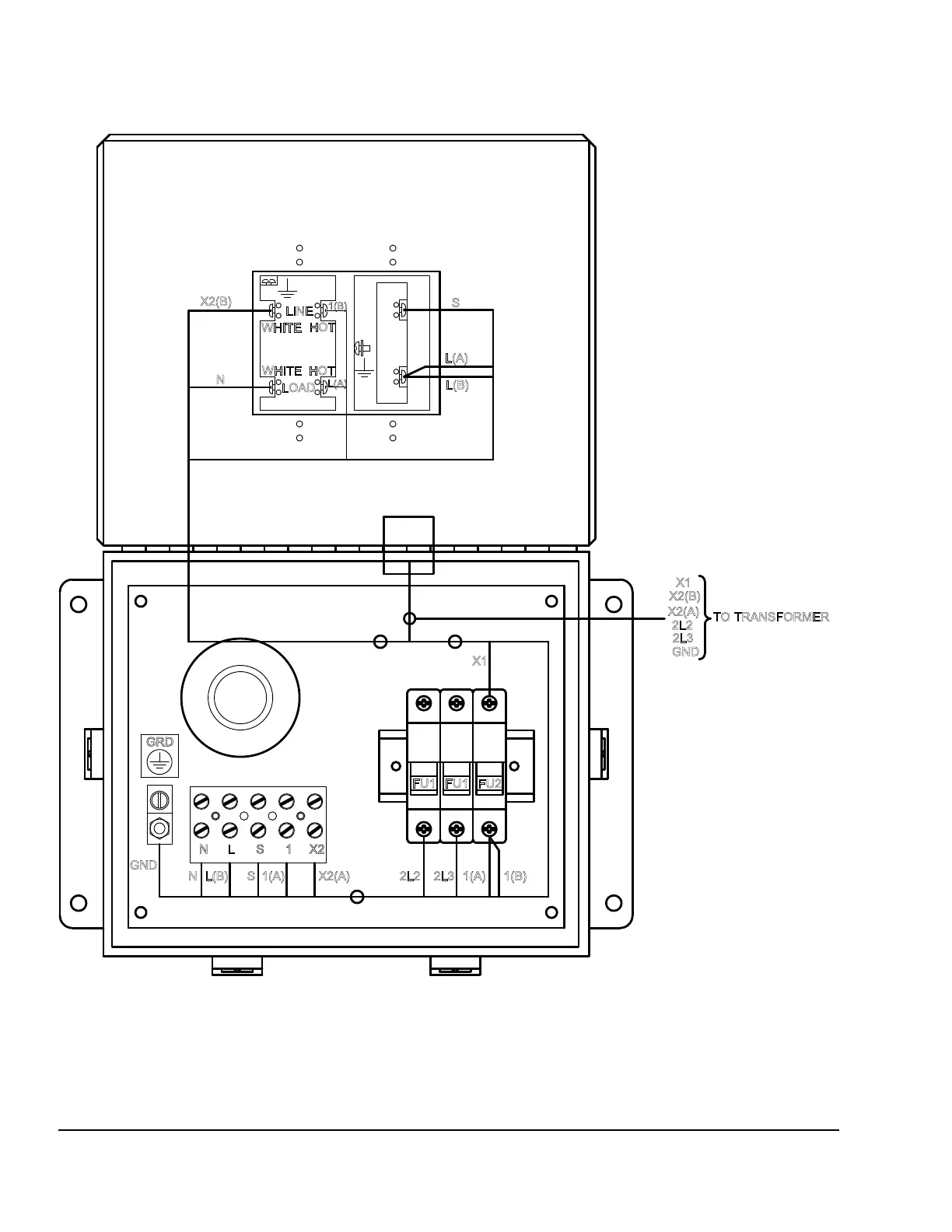
York XT AHU - TRANSFORMER ENCLOSURE WIRING DETAIL

York XT AHU
118 pages
To Next Page IconTo Next Page
To Next Page IconTo Next Page
To Previous Page IconTo Previous Page
To Previous Page IconTo Previous Page
Loading...
JOHNSON CONTROLS
96
FORM 102.20-OM2
ISSUE DATE: 6/01/2015
SECTION 5 - WIRING DIAGRAMS
LOAD
WHITE HOT
LINE
WHITE
HOT
X2(B)
N
L(A)
L(B)
L(A)
S
1(B)
N L S 1 X2
1(B)1(A)2L32L2X2(A)1(A)SL(B)N
GND
GRD
FU1
FU2
X1
FU1
X1
X2(A)
X2(B)
2L3
2L2
GND
TO TRANSFORMER
FIGURE 98 - TRANSFORMER ENCLOSURE WIRING DETAIL (SHOWN OPEN)
LD09691

Table of Contents

Related product manuals