EasyManua.ls Logo

Zoom F8n Pro - Page 242

Zoom F8n Pro
316 pages
Print Icon
To Next Page IconTo Next Page
To Next Page IconTo Next Page
To Previous Page IconTo Previous Page
To Previous Page IconTo Previous Page
Loading...
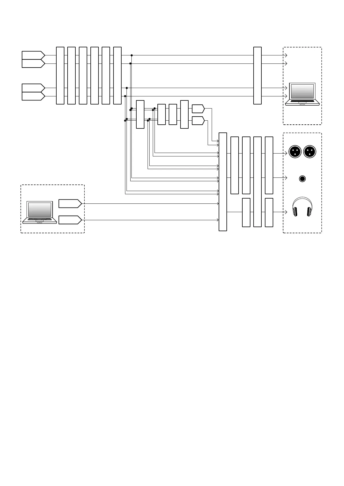
Multi Track
:
:
Trim
HPF
Input Limiter
Phase Invert
MS Stereo
Input Delay
Output On/Off, Level
Level
Slate Mic/Tone
Output Limiter
Fader
Alert Tone
Slate Mic/Tone
Routing
:
:
:
Mixer
L
R
Pan
Tr1-8 Fader
Tr L/R Fader
MAIN OUT
1/2 jacks
SUB OUT
1/2 jack
HEADPHONE
jack
PC
(Input)
Output
PC
(Output)
Channel 1
Channel 2
Input 1
Input 2
Input 7
Input 8
Postfader
Prefader
242

Table of Contents

Other manuals for Zoom F8n Pro

Related product manuals