EasyManua.ls Logo

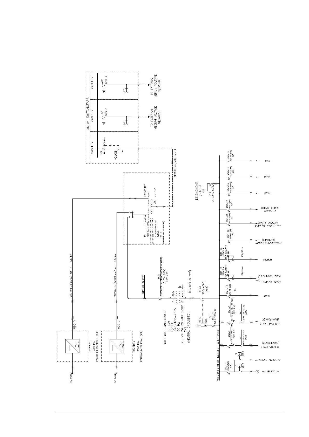
ABB PVS980-MWS - Typical Single-Line Diagram

ABB PVS980-MWS
70 pages
Print Icon
To Next Page IconTo Next Page
To Next Page IconTo Next Page
To Previous Page IconTo Previous Page
To Previous Page IconTo Previous Page
Loading...
Dimension drawings 67
Typical single-line diagram

Table of Contents

Related product manuals