EasyManua.ls Logo

Airo X RT Series - Electric Diagram X12 Rte - X14 Rte

Airo X RT Series
118 pages
Print Icon
To Next Page IconTo Next Page
To Next Page IconTo Next Page
To Previous Page IconTo Previous Page
To Previous Page IconTo Previous Page
Loading...
Use and Maintenance Manual - X_RT Series Page 110
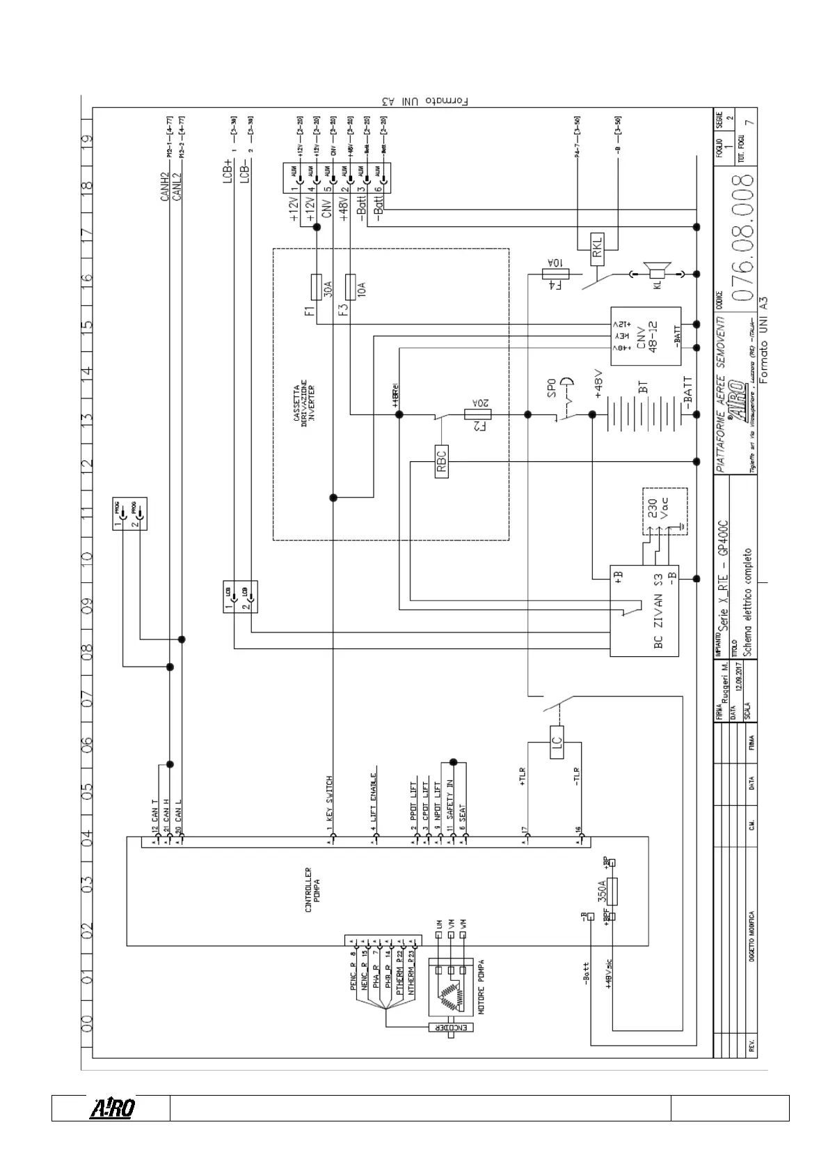
12.2 ELECTRIC DIAGRAM X12 RTE – X14 RTE

Table of Contents