EasyManua.ls Logo

Airspan ProST - PolyPhaser Protector Installation

Airspan ProST
71 pages
Print Icon
To Next Page IconTo Next Page
To Next Page IconTo Next Page
To Previous Page IconTo Previous Page
To Previous Page IconTo Previous Page
Loading...
ProST Hardware Installation User Guide
Page 61 Commercial in Confidence UWB-D00111 Rev L
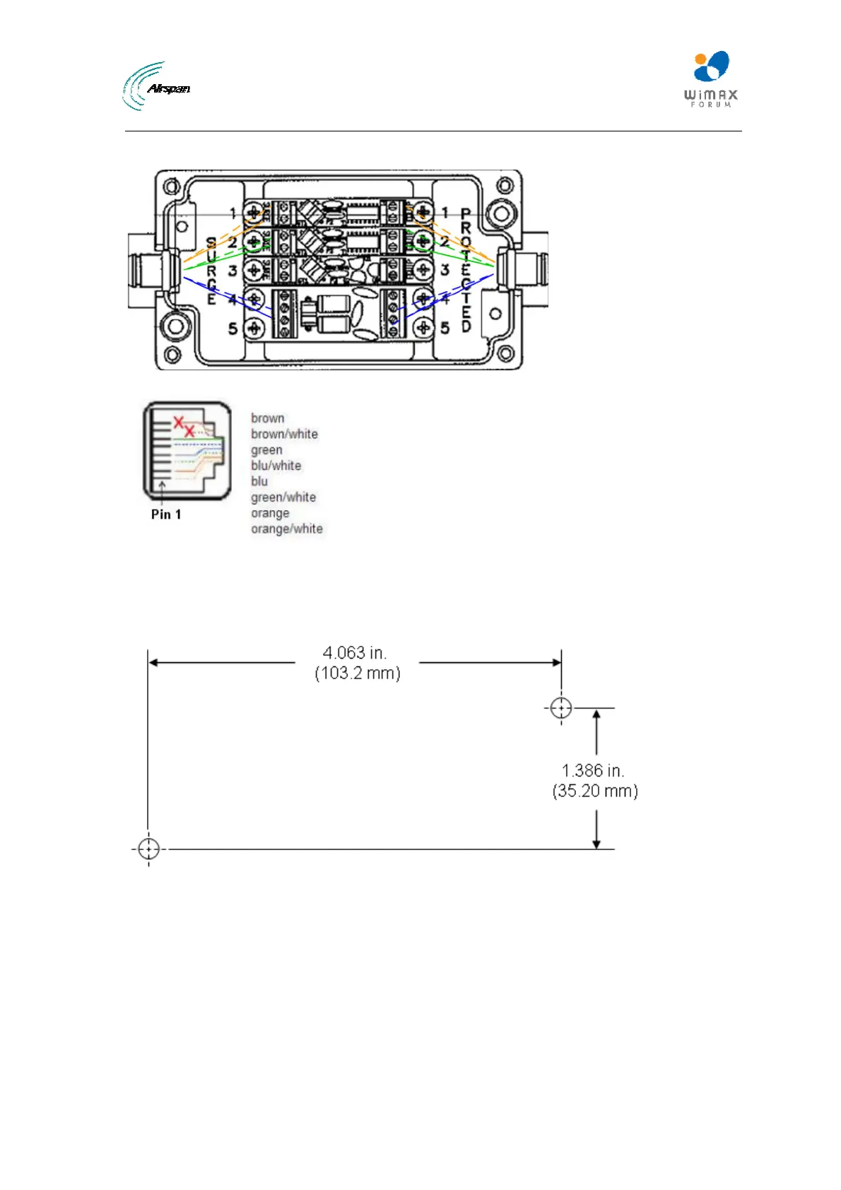
9.1 PolyPhaser Wiring Diagram
Figure51‐WorkingwithSDA
Figure52‐RJ45workingwithSDA
1. Mount and ground the protector outdoors with the provided 2 x 8-32 screws according to the
template illustrated below (showing distances between centers of the two mounting holes).
The unit may be mounted/grounded on a nearby plate or bulkhead panel that is bonded to
an earth-ground system.
Figure53‐Mountingtemplate
2. Attach the protector's lid by using the four M4 x 20-mm screws. Ensure that the neoprene
gasket on the lid is not loose or out of the groove.
3. Secure the CAT 5e cable to the grommet by fastening the gland nut.
9.2 Lightning and Surge Protection Connection Scenarios
The figures below illustrate various lightning and surge protector connectivity scenarios.
The figure below illustrates the connectivity of the lightning and surge protector using the SDA-1
Type II adapter.

Table of Contents

Other manuals for Airspan ProST