EasyManua.ls Logo

Alkeria NECTA Series - Page 33

Default Icon
140 pages
Print Icon
To Next Page IconTo Next Page
To Next Page IconTo Next Page
To Previous Page IconTo Previous Page
To Previous Page IconTo Previous Page
Loading...
3. Hardware Description 32
5
6
4
9
1
,
2
M
4
4
,
4
n
.
4
h
o
l
e
s
4
7
3
5
5
6
2
8
2
8
C
B
1
9
2
6
3
,
5
0
M
4
5
n
.
8
h
o
l
e
s
A
2
8
1
1
2
8
5
,
4
0
M
2
2
,
5
n
.
2
h
o
l
e
s
I
/
O
c
o
n
n
e
c
t
o
r
Hirose HR10-10R-12SA(73)
P
o
w
e
r
/
S
t
a
t
u
s
L
E
D
D
i
m
e
n
s
i
o
n
s
i
n
m
m
A
-
B
-
C
R
e
f
e
r
e
n
c
e
D
a
t
u
m
4
3
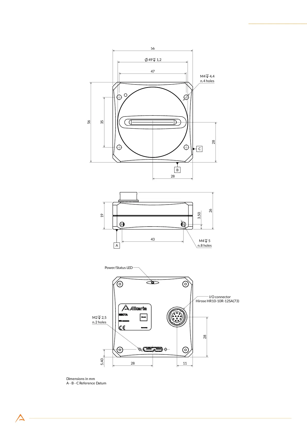
Figure 3.4: NECTA camera dimensions (without lens adapter)

Table of Contents