EasyManua.ls Logo

allen AR21 - Electric Schematic for AR21 with 20 HP Honda Engine with Electric Start

Default Icon
114 pages
Print Icon
To Next Page IconTo Next Page
To Next Page IconTo Next Page
To Previous Page IconTo Previous Page
To Previous Page IconTo Previous Page
Loading...
SECTION 4
PARTS
055838Page 104
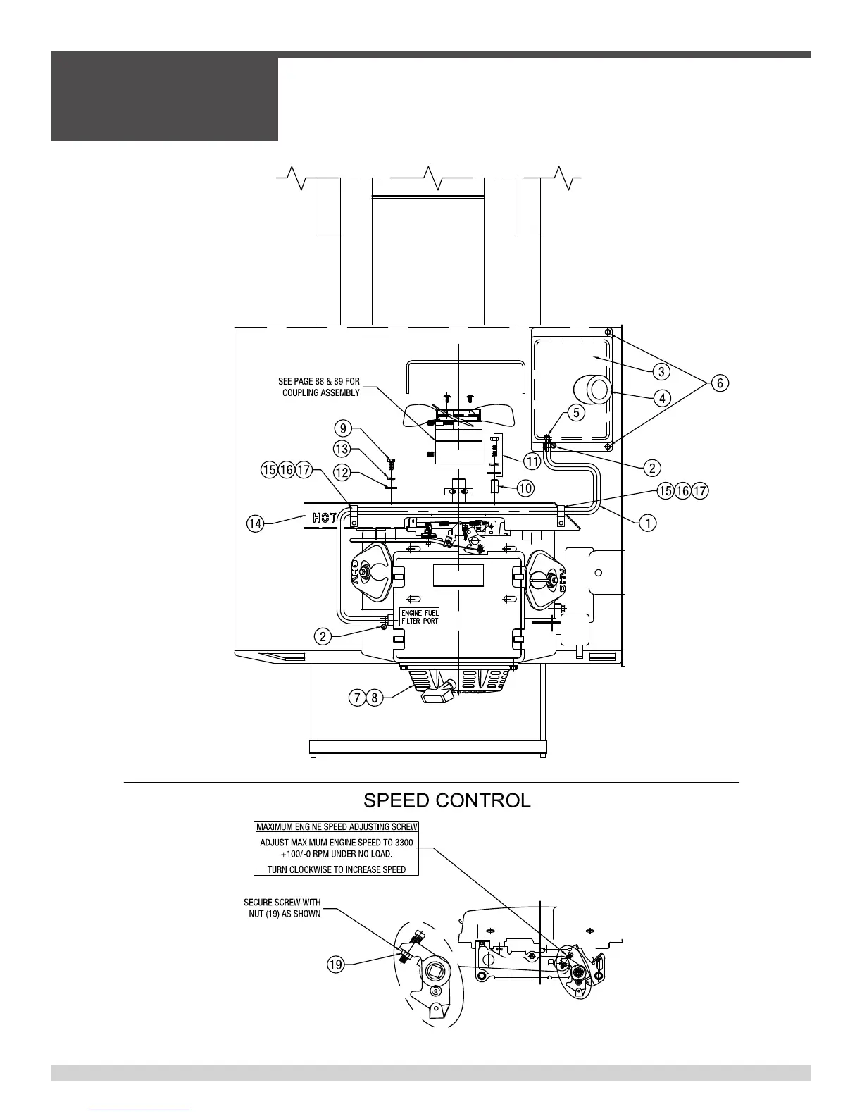
4.14 - Electric Schematic for AR21 with
20HP Honda Engine with Electric Start,
Illustration

Table of Contents

Related product manuals