EasyManua.ls Logo

Altivar Process ATV900 - Sequence for a Drive with Separate Control Stage

Altivar Process ATV900
94 pages
Print Icon
To Next Page IconTo Next Page
To Next Page IconTo Next Page
To Previous Page IconTo Previous Page
To Previous Page IconTo Previous Page
Loading...
Software Setup
54
NHA80945 04/2017
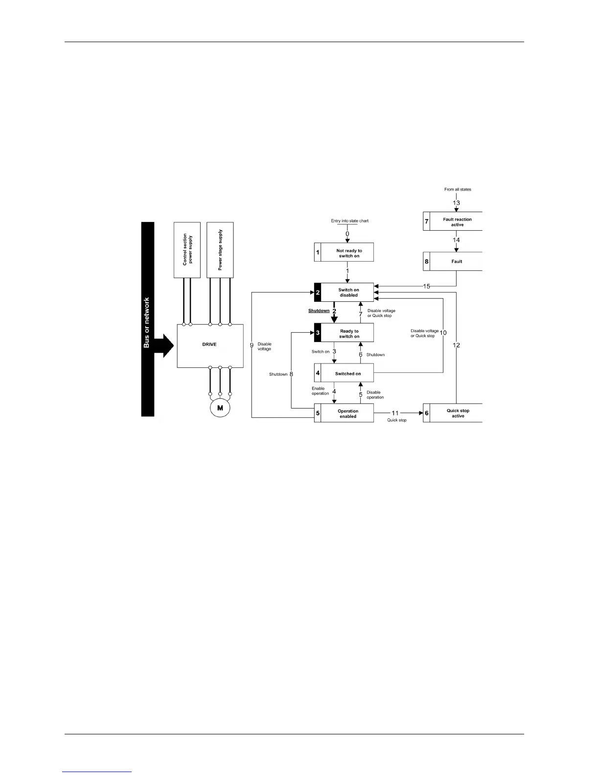
Sequence for a Drive with Separate Control Stage
Description
Power is supplied separately to the power and control stages.
If power is supplied to the control stage, it does not have to be supplied to the power stage as well.
The following sequence must be applied:
Step 1
The power stage supply is not necessarily present.
Apply the 2 - Shut down command

Table of Contents

Related product manuals