EasyManua.ls Logo

Altivar Process ATV900 - Sequence for a Drive with Mains Contactor Control

Altivar Process ATV900
94 pages
Print Icon
To Next Page IconTo Next Page
To Next Page IconTo Next Page
To Previous Page IconTo Previous Page
To Previous Page IconTo Previous Page
Loading...
Software Setup
NHA80945 04/2017 57
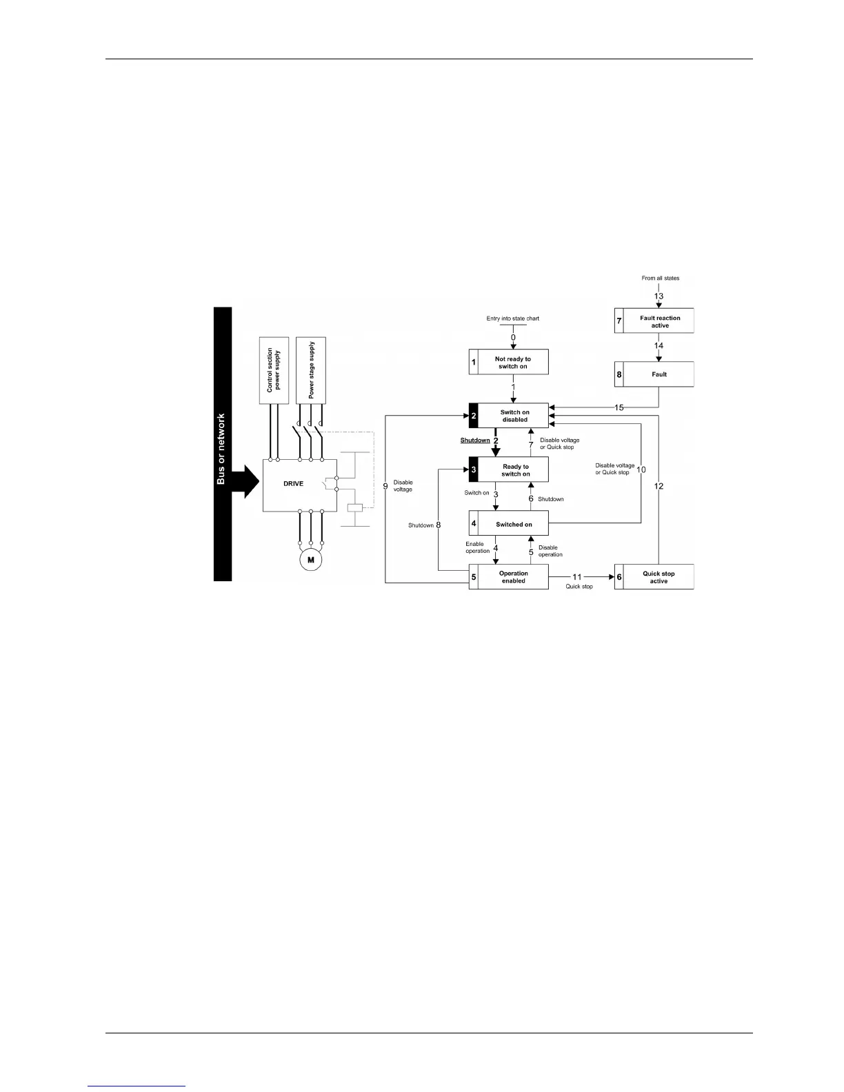
Sequence for a Drive with Mains Contactor Control
Description
Power is supplied separately to the power and control stages.
If power is supplied to the control stage, it does not have to be supplied to the power stage as well. The
drive controls the mains contactor.
The following sequence must be applied:
Step 1
The power stage supply is not present as the mains contactor is not being controlled.
Apply the 2 - Shutdown command.

Table of Contents

Related product manuals