EasyManua.ls Logo

Ammann AV 70 X - Page 157

Ammann AV 70 X
162 pages
Print Icon
To Next Page IconTo Next Page
To Next Page IconTo Next Page
To Previous Page IconTo Previous Page
To Previous Page IconTo Previous Page
Loading...
151AV 70 X
MAINTENANCE MANUAL
X5:22
X5:52
X5:53
X5:54
X5:51
X5:50
X5:49
X5:48
X5:47
X5:33
X5:31
X12:9X14:9
X12:7X14:7
X14:8
X14:10
X12:15
X12:14
X12:13
X12:12
X12:10
X12:8
B3B4
A4 A3
B3B4
A4 A3
C4 C3
D3D4
X35:2
X35:1
X34:1
X34:2
X19:1
X19:2
X11:11X16:5
X11:12 X16:6
X12:11
X22:4
X22:3
X22:2
X22:1
X21:1
X20:1
X20:2
X18:1
X18:2
X17:3
X15:3
1
5
7
30A
1
5
87 30
8586
87 30
8586
15A
2
1
6
5
X5:1
1
9
5
10
87 30
85 86
86
87
85
30
87 30
8586
X5:23
X5:59
X5:58
X5:57
X5:55
X11:13
X12:16
X49:1
X50
X49:5
X49:3X6:3
X6:1
X6:7
X6:2
X22:5
X21:2
1
5
X52
X6:9
X56:5
X56:4
X59:3
X58:3
X59:2
X58:2
X59:1
X58:1
X56:6
X17:2
X15:2
X32:3
10A
87 30
8586
1
9
5
10
1
2
3
1
2
3
5A
5
3
1
15A
X32:5
X32:2
X32:4
X32:1
7
3
5
1
15A
1
2
3
X48:1
X48:2
X48:3
X4
X6:8
Fe PNP Fe PNP
X6:9
X64:1
X64:3
86
87
85
30
87 30
85 86
87 30
85 86
X5:56
7.5A
CH
I
G
H
B
D
F
A
C
E
P
V13
V12
S27
S26
Y11
Y10
Y8
Y9
E20
S30
S31
S28
S29
S25
V1
V2
F15
V8
V7
V6
V5
Y14
S24
Y15
K12
K11
F6
F7
M
M3
Y12
Y13
M
M2
F8
S34
F14
K16
S36
M
M10
M
M9
F13
S35
V10
V9
F12
S32
M
M4
M
M7
F11
M
M11
S39
S44Y17
S40
S41
Y18
S45
K22
K18
K19
K13
K15
K14
Y16
107641_2en
3
(blue)
2
(white)
3
(blue)
1
(brown)
4
(black)
1
(brown)
Reserve
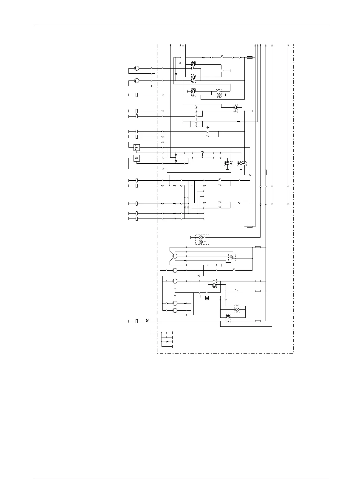
If the edge cutter is instaled to left hand side of
the roller change over the plug X18 to socket X19.
The buttons S28, S29 on the left control lever
are used to lifting cutter.
If the edge cutter is instaled to right hand side of the
roller change over the plug X20 in socket X21.
The buttons S30, S31 on the left control lever are used
to lifting cutter.
Vibration - low amplitude
Vibration - high amplitude
Front drum vibration
Rear drum vibration
Crabing left
Crabing right
Edge cutter upward
Edge cutter downward
Cabin lighting
Front wiper
Windscreen washer
Fan 1
Air conditioner
CRAB position switch - left
CRAB position switch - right
Relief valve
Fan 2
Fan 3
Radio
Sprinkling 1
Sprinkling 2
Edge cutter sprinkling

Table of Contents

Related product manuals