EasyManua.ls Logo

Anritsu MS2665C - Setup; Test Group 2

Anritsu MS2665C
178 pages
Print Icon
To Next Page IconTo Next Page
To Next Page IconTo Next Page
To Previous Page IconTo Previous Page
To Previous Page IconTo Previous Page
Loading...
6-5
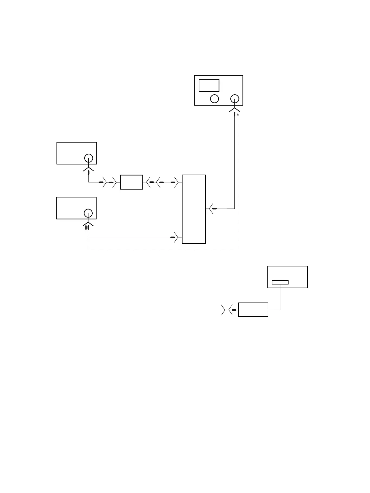
6.4.2 Setup :
(1) Use power meter at MN74A’s
COM output or 6769B output
calibration
Power meter : ML4803A
or ML2437A
Power sensor : MA4701A or MA2444A
RF Input
The spectrum analyzer
MG3633A
6769B
RF Output
Output
MN63A
P-ATT
MN74A
CH1
COM
CH3
Fig. 6-4-1
On MN74A, connect CH1 to MG3633A OUTPUT through MN63A and connect CH3 to 6769B RF OUTPUT.
At the measurement, connect the spectrum analyzers RF Input to COMMON of MN74A through a signal feeder. When
Image response or/and Multiple response of MS2667/68C are measured, connect the spectrum analyzers RF Input to
6769B RF OUTPUT through a signal feeder.
(1) At the calibration of power output, connect the end of the signal feeder to the power sensor.
6.4 Test group 2

Table of Contents

Other manuals for Anritsu MS2665C

Related product manuals