EasyManua.ls Logo

Anritsu MS2665C - Setup

Anritsu MS2665C
178 pages
Print Icon
To Next Page IconTo Next Page
To Next Page IconTo Next Page
To Previous Page IconTo Previous Page
To Previous Page IconTo Previous Page
Loading...
6-7
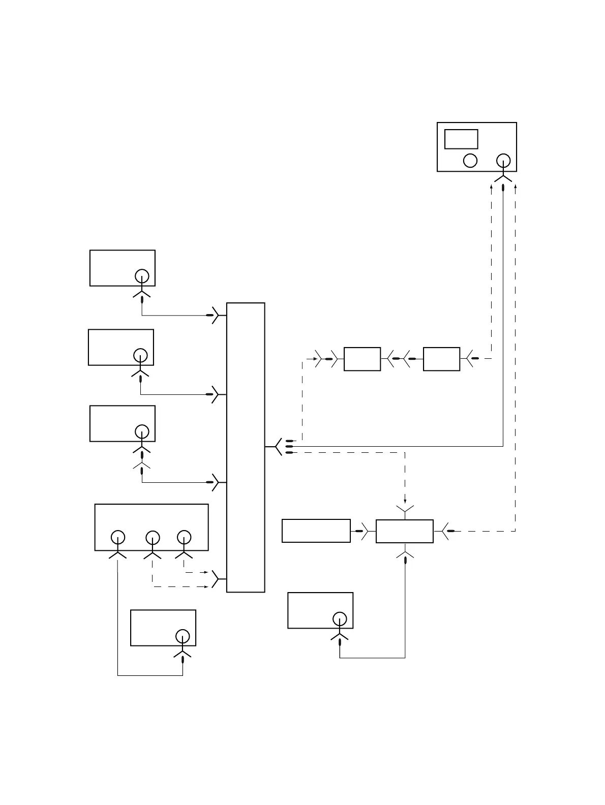
6.5.2 Setup :
RF Input
The spectrum analyzer
MG3633A
6769B
MS2602A
OUTPUT
MN74A
CH1
CH3
COM
CH5
CH7
Output
RF Output
RF Input
hp11715A
IN
OUT
OUT
AUDIO
FM
FM/4
MG443AMG443A
MG3633A
Termination MA1612A
SSG2
SSG3
SSG1
Receiver
LPF
LPF
(1) Insert LPFs, at the 2nd
harmonic distortion
measurement
Cutoff Frequency : 2
GHz
(2) Connect, at the
measurement of two
signal 3rd intermodulation
distortion and 1 dB gain
compression
(3) Connect, at the
measurement of FM
demodulation frequency
response
Fig. 6-5-1
6.5 Test group 3

Table of Contents

Other manuals for Anritsu MS2665C

Related product manuals