EasyManua.ls Logo

Armstrong 4300 - Supply Fusing; Grounding and It Mains

Armstrong 4300
54 pages
Print Icon
To Next Page IconTo Next Page
To Next Page IconTo Next Page
To Previous Page IconTo Previous Page
To Previous Page IconTo Previous Page
Loading...
installation &
operating instructions
Design Envelope 4300 and 4380 vertical in-line
pumping unit with integrated controls
34
11.5 supply fusing
Branch circuit protection
In order to protect the installation against electrical and fire
hazard, all branch circuits in an installation, switch gear, ma-
chines etc., must be short-circuit and over-current protected
according to the national/international regulations.
Short circuit protection
The inverter must be protected against short-circuit to avoid
electrical or fire hazard. Armstrong recommends using the fuses
detailed in the separate ivs102 Operating Instructions to pro-
tect service personnel or other equipment in case of an internal
failure in the unit. The frequency converter provides full short
circuit protection in case of a short-circuit on the motor output.
11.6 grounding and it mains
The ground connection cable cross section must be
at least 10 mm
2
or two rated mains wires terminated
separately according to en 50178 or iec 61800-5-1
unless national regulations specify dierently. Always
comply with national and local regulations on cable
cross sections.
The mains is connected to the main disconnect switch
if this has been included.
Check the mains voltage corresponds to the mains
voltage of the frequency converter name plate.
it mains
Do not connect frequency converters with rfi-filters
to mains supplies with a voltage between phase and
earth of more than 440v for 400v converters. For
440v it mains and delta earth (grounded leg), mains voltage
may exceed 440v between phase and earth.
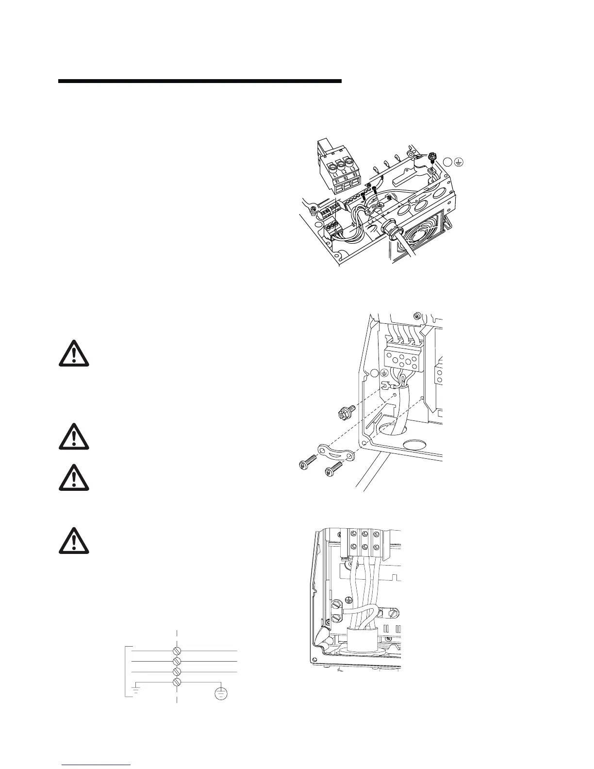
fig. 4 Terminals for mains and grounding
Three phase
power input
fig. 5 Mains and grounding connections for a5 units
(380-480v 7.5kW and below)
95
fig. 6a Mains and grounding connections for b1 and b2 units
(380-480v – 11 to 30 kW)
95
fig. 6b Mains and grounding connections for c1 and
c2 units (380-480v – 37 to 90kW)
95
91
L1
92
L2
93
L3
91
(l1)
(l2)
(l3)
pe
92
93
95

Table of Contents

Other manuals for Armstrong 4300

Related product manuals