EasyManua.ls Logo

Asus RS540-E9-RS36-E - Page 78

Asus RS540-E9-RS36-E
164 pages
Print Icon
To Next Page IconTo Next Page
To Next Page IconTo Next Page
To Previous Page IconTo Previous Page
To Previous Page IconTo Previous Page
Loading...
Chapter 4: Motherboard Information
4-20
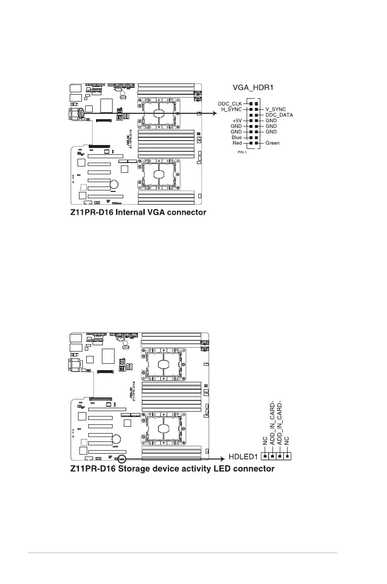
12. VGA connector (16-pin VGA_HDR1)
This connector supports the VGA High Dynamic-Range interface.
13. Storage device activity LED connector (4-pin HDLED1)
This LED connector is for the storage add-on card cable connected to the SATA or
SAS add-on card. The read or write activities of any device connected to the SATA or
SAS add-on card causes the front panel LED to light up.

Table of Contents

Related product manuals