EasyManua.ls Logo

Asus RS540-E9-RS36-E - Internal Connectors

Asus RS540-E9-RS36-E
164 pages
Print Icon
To Next Page IconTo Next Page
To Next Page IconTo Next Page
To Previous Page IconTo Previous Page
To Previous Page IconTo Previous Page
Loading...
ASUS RS540-E9-RS36-E
4-13
4.4 Internal connectors
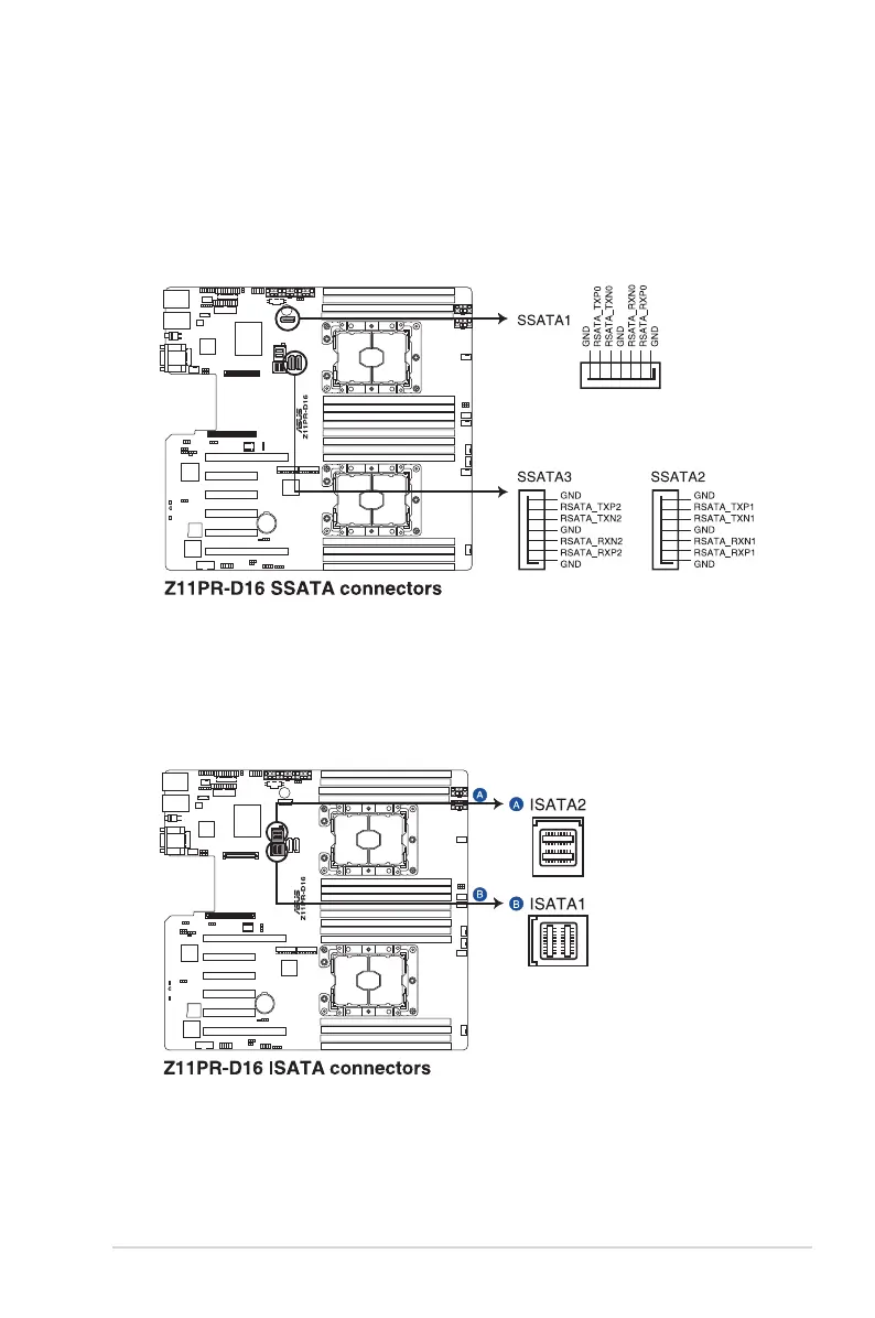
1. Serial ATA connectors (7-pin SSATA1-3)
These connectors, controlled by Intel
®
C621 chipset, are for the Serial ATA signal
cables for Serial ATA hard disk drives (SATA 1 connector is used for the optical drive
by default).
2. Mini-SAS HD connector (ISATA1-2)
This motherboard comes with mini Serial Attached SCSI (SAS) HD connectors, the
storage technology that supports Serial ATA. Each connector supports up to four
devices.

Table of Contents

Related product manuals