EasyManua.ls Logo

Avaya G430 - Page 38

Avaya G430
155 pages
Print Icon
To Next Page IconTo Next Page
To Next Page IconTo Next Page
To Previous Page IconTo Previous Page
To Previous Page IconTo Previous Page
Loading...
The grounding conductor for the secondary side of the power transformer feeding the floor
A grounding point specifically provided in the building for that purpose
Warning:
If the approved ground or approved floor ground can only be accessed inside a dedicated power
equipment room, then connections to the ground must be made by a licensed electrician.
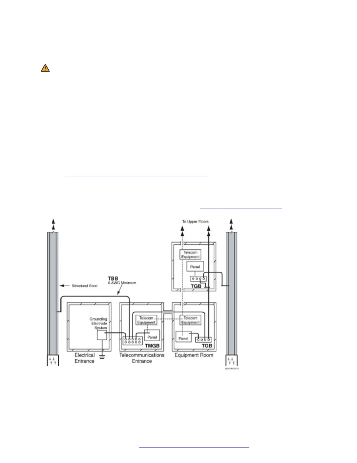
ANSI/EIA/TIA-607:
In buildings where a ground-cabling infrastructure meeting TIA-607 has been implemented the
Avaya equipment shall be grounded according to the TIA-607 standard. In a TIA-607 installation, the
Telecommunications Main Grounding Busbar (TMGB)/Telecommunications Grounding Busbar
(TGB) links the telecommunications equipment to the ground.
Other grounding terminology is:
Building principle ground, normally in a building with one floor.
Floor ground bar, normally in buildings with more than one floor.
Refer to
Figure 7: ANSI/TIA/EIA-607 Grounding Schematic on page 38.
Configure telecommunications subsystems, such as groups of frames or equipment, as separate
single-point ground entities connected to the equipment’s dedicated service panel via a single-point
ground bar. The service panel ground connects to the building principle ground via the main service
panel or, in a TIA-607 installation, via the TGB. Refer to
Figure 8: Typical Wiring Plan on page 39.
Figure 7: ANSI/TIA/EIA-607 Grounding Schematic
Installing the Branch Gateway and EM200
February 2017 Installation and Upgrades for the Avaya Branch Gateway G430 38
Comments on this document? infodev@avaya.com

Table of Contents

Other manuals for Avaya G430

Related product manuals