EasyManua.ls Logo

CG VSR239p5 - Page 27

Default Icon
180 pages
Print Icon
To Next Page IconTo Next Page
To Next Page IconTo Next Page
To Previous Page IconTo Previous Page
To Previous Page IconTo Previous Page
Loading...
Emotron VS Series Quick Start Guide
- 26 -
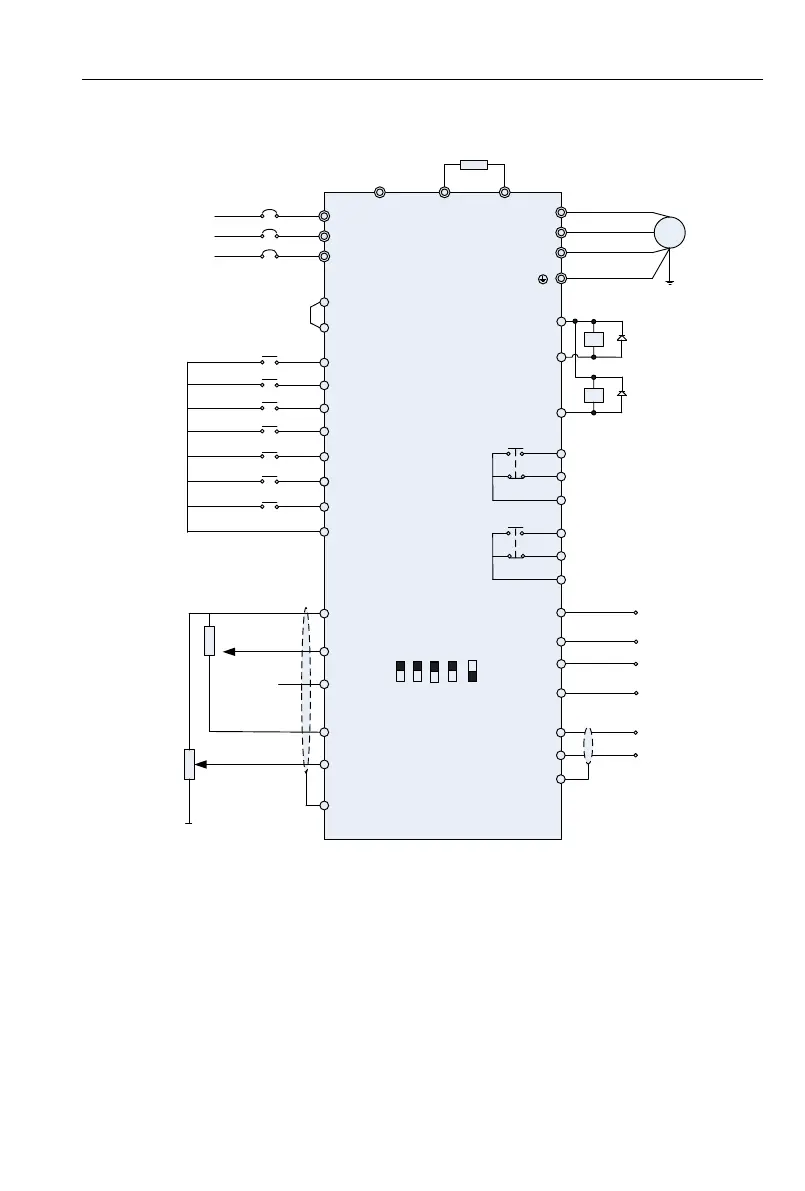
3.5.2 VSR(4~7.5kW) , VSX(4~22kW) wiring diagram
L1
L2
L3
COM
DI1
DI2
DI3
DI4
DI5
DI6
+10V
AI1
AI2
GND
PE
U
V
W
485+
485-
GND
R1A
R1B
R1C
MCCB
Switch input 1
Switch input 2
Switch input 3
Switch input 4
Switch input 5
1kΩ~5kΩ
DC 010V or
020mA
M
RS485
Communication
AI1
V
I
(-) (+) PB
Braking resistor
Y2/HO
Open collector output 2
Relay output 1
250V AC/3A
30V DC1A
PLC
Short circuit piece
DI7/HI
+24V
Switch input 6
High-speed
pulse input HI
AI3
1kΩ5kΩ
DC -1010V
-10V
AO1
GND
Analog Output 1
010V/
020mA(VSX)
+24V
Y1
Open collector output 1
AO2
GND
Analog Output 2
010V/020mA
R2A
R2B
R2C
Relay output 2
250V AC/3A
30V DC/1A
AI2
V
I
AO1
V
I
AO2
V
I
485
ON
OFF
DC 010V or
020mA(VSX)
50/60Hz
Three-phase 415V
VSX (4~22kW)
VSR (4~7.5kW)
Fig 3-8 VSX(4~22kW) , VSR(4~7.5kW) wiring diagram

Table of Contents