EasyManua.ls Logo

CG VSR239p5 - 3.6 Terminal Configuration

Default Icon
180 pages
Print Icon
To Next Page IconTo Next Page
To Next Page IconTo Next Page
To Previous Page IconTo Previous Page
To Previous Page IconTo Previous Page
Loading...
Emotron VS Series Quick Start Guide
- 27 -
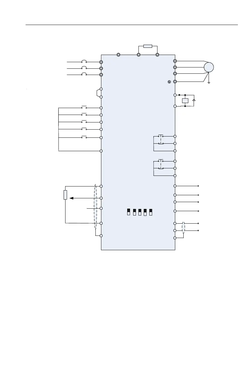
3.5.3 VSX(0.4~2.2kW) wiring diagram
L1
L2
L3
COM
DI1
DI2
DI3
DI4
+10V
AI1
AI2
GND
PE
U
V
W
485+
485-
GND
R1A
R1B
R1C
MCCB
Switch input 1
Switch input 2
Switch input 3
Switch input 4
1kΩ~5kΩ
DC 010V or
020mA
M
RS485
Communication
(-) (+) PB
Braking resistor
Y2/HO
Relay output 1
250V AC/3A
30V DC1A
PLC
Short circuit piece
DI7/HI
+24V
High-speed
pulse input HI
AO1
GND
Analog Output 1
010V/
020mA(VSX)
+24V
Open collector output 1
AO2
GND
Analog Output 2
010V/020mA
R2A
R2B
R2C
Relay output 2
250V AC/3A
30V DC/1A
DC 010V or
020mA(VSX)
50/60Hz
Three-phase 415V
AI2
V
I
AI1
V
I
AO1
V
I
AO2
V
I
485
OFF
ON
VSX (0.4~2.2kW)
Fig 3-9 VSX(0.4~2.2kW) wiring diagram

Table of Contents

Related product manuals