EasyManua.ls Logo

CIGWELD WeldSkill 200AC/DC - DC Bus Measurement of Main Inverter Board

CIGWELD WeldSkill 200AC/DC
88 pages
Print Icon
To Next Page IconTo Next Page
To Next Page IconTo Next Page
To Previous Page IconTo Previous Page
To Previous Page IconTo Previous Page
Loading...
TROUBLESHOOTING WELDSKILL
200AC/DC INVERTER
Manual 0-5206 6-3
Troubleshooting
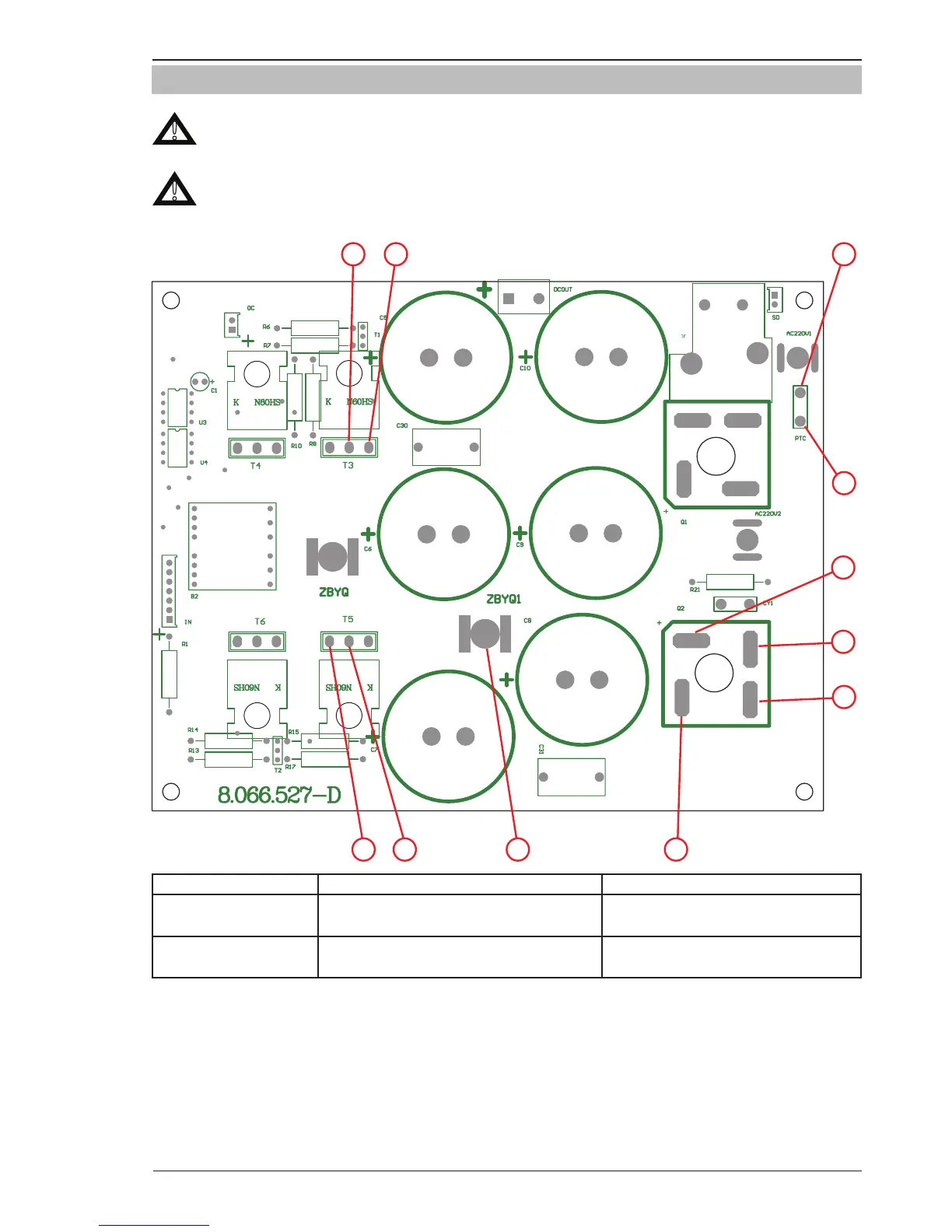
6.05 Preliminary DC Bus measurement of the main inverter board
!
Read and follow safety information in Section 6.02 before proceeding.
!
Check DC bus voltage has discharged to less than 5VDC before servicing. Ensure the mains supply plug
is disconnected from receptacle
1
23
4
5
6
7
8
9
10
11
A-11421
DC Bus Testing Multimeter Lead Placement Voltage with Supply voltage OFF
Upper capacitor bank Positive meter lead to testpoint 1
Negative meter lead to testpoint 2
0 VDC
Lower capacitor bank Positive meter lead to testpoint 2
Negative meter lead to testpoint 3
0 VDC
Table 6-2: DC BUS, Multimeter set to measure DC volts

Table of Contents

Related product manuals