EasyManua.ls Logo

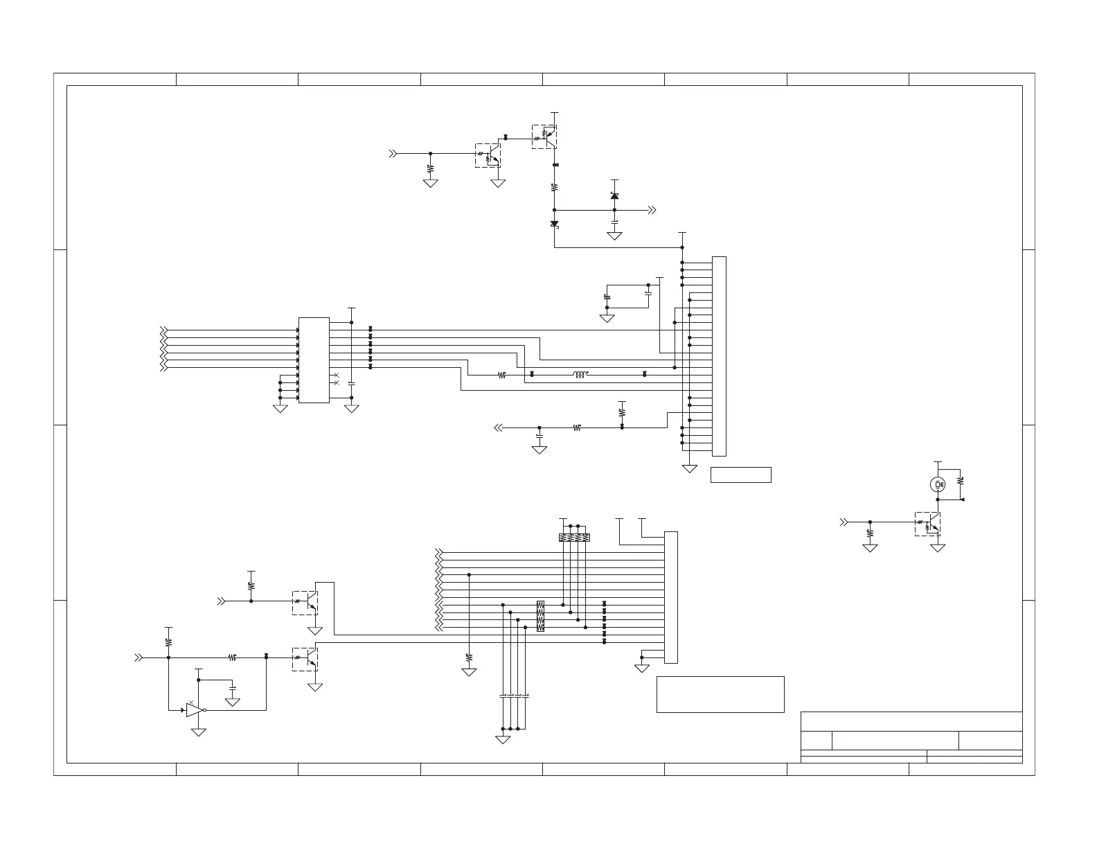
Citizen CL-E720DT - SA Main PCB (6;12) [Head, Opepane & Buzzer]

Citizen CL-E720DT
189 pages
Print Icon
To Next Page IconTo Next Page
To Next Page IconTo Next Page
To Previous Page IconTo Previous Page
To Previous Page IconTo Previous Page
Loading...
Chapter 6. Circuit Diagrams
CL-E720DT 6-8
SA Main PCB (6/12) [Head, Opepane & Buzzer]
12345
678
A
B
C
D
876
54321
D
C
B
A
Title
Number RevisionSize
A4
Date: Sheet of
File: Drawn By:
A
MAIN PCB / HEAD, OPEPANE, BUZZER (6/12)
PPS00152-**, PPS00218-**
DHV
DHV
DHV
DHV
DNG
DNG
3BTSDHn
DNG
2BTSDHn
3TADDH
DNG
DNG
DDV
2TADDH
1BTSDHn
KLCDH
1TADDH
TALDHn
1MHTDH
DNG
2MHTDH
DNG
DHV
DHV
DHV
DHV
daeH
OI3V
V5+
IS/DCL
KCS/DCL
DC/DCL
TSR/DCL
SCn/DCL
ETIHW thgilkcaB/DCL
EGNARO thgilkcaB/DCL
ESUAP/0WSn
DEEF/1WSn
POTS/2WSn
UNEM/3WSn
DNG
DER/1DEL
DNG
NEERG/0DEL
ENAPEPO
)tcatnoC poT/CFF(
0R42V
DHV
3R3V
3R3V
0R5V
0R5V
0R5V
3R3V
3R3V
0R5V OI3V3R3V
3R3V
REZZUB2
BTSDHn5
2TADDH5
1TADDH5
KLCDH5
0TADDH5
TALDHn5
NOCHV5
DHPMT5,2
2SERDH
R_1DEL2
TADDCL5
KCSDCL5
DCDCL5
TSRDCLn5
SCDCLn5
ETIHW_LKB/DCL2
EGNARO_LKB/DCL2
0WSn2
1WSn2
2WSn2
3WSn2
G_0DEL2
513T
164T
25R
%1/k4.2
45R
%1/k81
88C
61B/u1.0
3J
+008 301 711 2326 40
1
2
3
4
5
6
7
8
9
01
11
21
31
41
51
61
71
4Q
MT411CTD
903T
281DB51MLB1L
913T
813T
1Q
ME411ATD
C92 1000p/B50
361R
k1
65R
6123/k1
2Q
ME411CTD
113T
C94 1000p/B50
2D
04-S025BR
C93 1000p/B50
2J
T0062P2502
1
2
3
4
5
6
7
8
9
01
11
21
31
41
51
61
71
81
91
02
12
22
32
42
52
62
09C
61B/u1.0
75R
k22
51AR
k22
C95 1000p/B50
85R
k22
98C
61/u74
981C
61B/u1.0
713T
123T
213T
01U
442TCHV47
2
4
6
8
01
02
11
31
51
71
1
91
81
61
41
21
9
7
5
3
313T
0071R
3Q
ME411CTD
1ZB
0B-2004HYPE31MKPZB
023T
413T
00155R
861R
")AN("
1D
04-S025BR
013T
22U
")AN("
19C
05B/p0001
461R
k1
803T
223T
523T
613T
78C
05B/p0001
323T
423T
00235R
5Q
MT411CTD
61AR
k1
10k
10k
10k
10k
10k
10k
2
1
5V
3G
4
10k
10k
1A1
1A2
1A3
1A4
2A1
2A2
2A3
2A4
/ 1G
/ 2G
VCC
1Y1
1Y2
1Y3
1Y4
2Y1
2Y2
2Y3
2Y4
GND

Table of Contents

Related product manuals