EasyManua.ls Logo

Citizen CL-E720DT - SA Main PCB and SA Relay PCB; SA Main PCB Connectors

Citizen CL-E720DT
189 pages
Print Icon
To Next Page IconTo Next Page
To Next Page IconTo Next Page
To Previous Page IconTo Previous Page
To Previous Page IconTo Previous Page
Loading...
Chapter 3 Disassembly and Maintenance
3-6. Disassembly, Reassembly and Lubrication
CL-E720DT 3-14
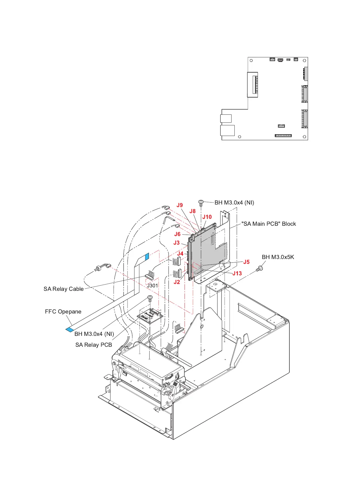
3-6-5. “SA Main PCB” and “SA Relay PCB”
(1) “SA Main PCB” Connectors
1. Remove the “Cover PF Motor”. Refer to “3-6-2 Cover PF
Motor”.
2.
Remove the “Unit Opepane”. Refer to “3-6-3(1) Unit Opepane”.
3.
Remove the “Case” and “Cover Steel L”. Refer to “3-6-4 Case”.
4.
Disconnect all connectors from the “SA Main PCB”.
J2, J3 (FFC Opepane), J4, J5, J6, J8, J9, J10, J13
Note on reassembling:
When connecting J3 (FFC Opepane), see on which side the
blue tape is, and correctly insert it in the right direction. If it is
inserted reversely, the circuit is not electrically connected.
(2) “SA Main PCB” and “SA Relay PCB”
1.
Remove the 1 screw (BH M3.0x5K) and 2 screws (BH M3.0x4 (NI)), and detach the “SA
Main PCB” Block by lifting it upwardly.
2. Disconnect the “SA Relay Cable” from the “SA Relay PCB”.
3. Remove the 4 screws (BH M3.0x4 (NI)) and detach the “SA Relay PCB”.
J13
J5
J2
J4
J3
J6
J9
J8
J10
[SA Main PCB]
J13
J5
J2
J4
J3
J6
J9
J8
J10
BH M3.0x4 (NI)
BH M3.0x5K
FFC Opepane
BH M3.0x4 (NI)
SA Relay PCB
"SA Main PCB" Block
J301
SA Relay Cable

Table of Contents

Related product manuals