EasyManua.ls Logo

Citizen CL-E720DT - SA Main PCB (11;12) [Power Supply]

Citizen CL-E720DT
189 pages
Print Icon
To Next Page IconTo Next Page
To Next Page IconTo Next Page
To Previous Page IconTo Previous Page
To Previous Page IconTo Previous Page
Loading...
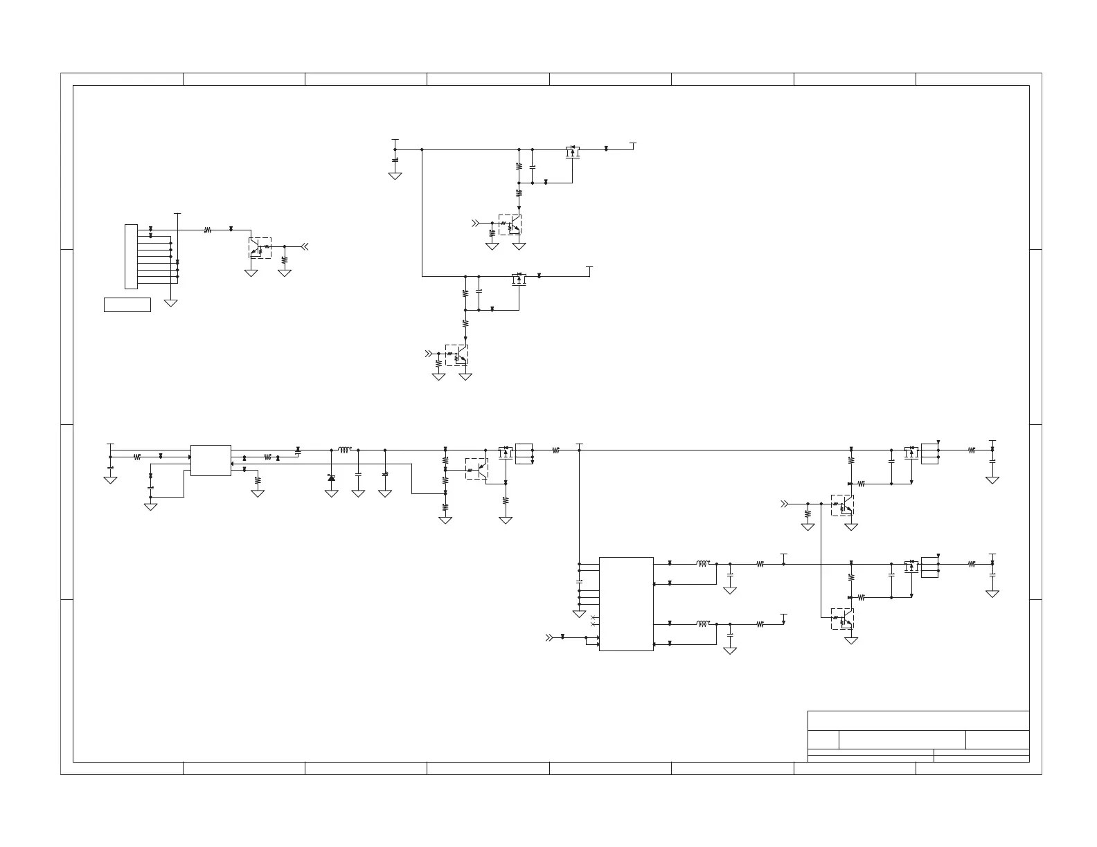
Chapter 6. Circuit Diagrams
6-13 CL-E720DT
SA Main PCB (11/12) [Power Supply]
12345
678
A
B
C
D
876
54321
D
C
B
A
Title
Number RevisionSize
A4
Date: Sheet of
File: Drawn By:
A
MAIN PCB / POWER (11/12)
PPS00152-**, PPS00218-**
DNG
DNG
DNG
DNG
USP
V42+
V42+
V42+
V42+
YBDNATS
TMV
0R42V
OI3V
DHV
0R5V
3R3V
2R1V
OI5V
0R42V
0R42V
NODHV5
NOTMV5
EC3V01
NOOI3V5
5EVASRWPn
604T
551R
2102/0
934T
141R
2102/0
524T
52Q
2436HCM
4
3
5
1
2
6
741C
05/u74
904T
8L
M001-SA7401B
541R
0
841R
k001
004T
62Q
ME411CTD
931R
2102/0
114T
461C
01B/u01
124T
224T
731R
k001
941R
%1/k2.2
144T
921R
k001
631R
k001
734T
134T
351C
05B/u1.0
441R
k001
851C
05/u74
231R
k1
304T
31J
T0090P1352
1
2
3
4
5
6
7
8
9
751C
52B/u7.4
151R
2102/0
12Q
2436HCM
4
3
5
1
2
6
424T
034T
431R
k1
514T
924T
9L
Hu7.4
32Q
MT511ATD
704T
234T
9D
06-L050BR
651C
01B/u1
251C
05B/u22.0
M1041R
551C
05B/u1.0
504T
351R
k001
251R
2102/0
814T
534T
024T
314T
061C
01B/u01
624T
61Q
ME411CTD
824T
81Q
L3M60S51JT
724T
01L
Hu2.2
0031R
42Q
ME411CTD
831R
k1
02Q
ME411CTD
714T
051R
k1
641R
%1/k01
334T
951C
05B/u1.0
361C
01B/u1
914T
51Q
L3M60F001JT
721R
k001
841C
05B/u1.0
204T
161C
01B/u01
22Q
2436HCM
4
3
5
1
2
6
02U
BKPYA6032MAP
2NIV
1
2XL
2
2DNG
3
1BF
4
1CN
5
1NE
6
1NIV
7
1XL
8
1DNG
9
2BF
01
2CN
11
2NE
21
DAP
31
434T
614T
71Q
ME411CTD
634T
324T
834T
804T
044T
22241R
451C
05B/u1.0
91U
E911RN
NIV
2
WS
3
SB
1
TESI
6
DNG
4
SS
8
NE
7
BF
5
261C
05B/u1.0
741R
k01
341R
%1/k3.1
451R
k01
10k
10k
10k
10k
10k
10k
100k
10k
10k
10k
10k

Table of Contents

Related product manuals