EasyManua.ls Logo

Citizen CL-E720DT - Wired LAN I;F Circuit

Citizen CL-E720DT
189 pages
Print Icon
To Next Page IconTo Next Page
To Next Page IconTo Next Page
To Previous Page IconTo Previous Page
To Previous Page IconTo Previous Page
Loading...
Chapter 2 Operating Principles
2-2.
Operation of Control Parts
2-31 CL-E720DT
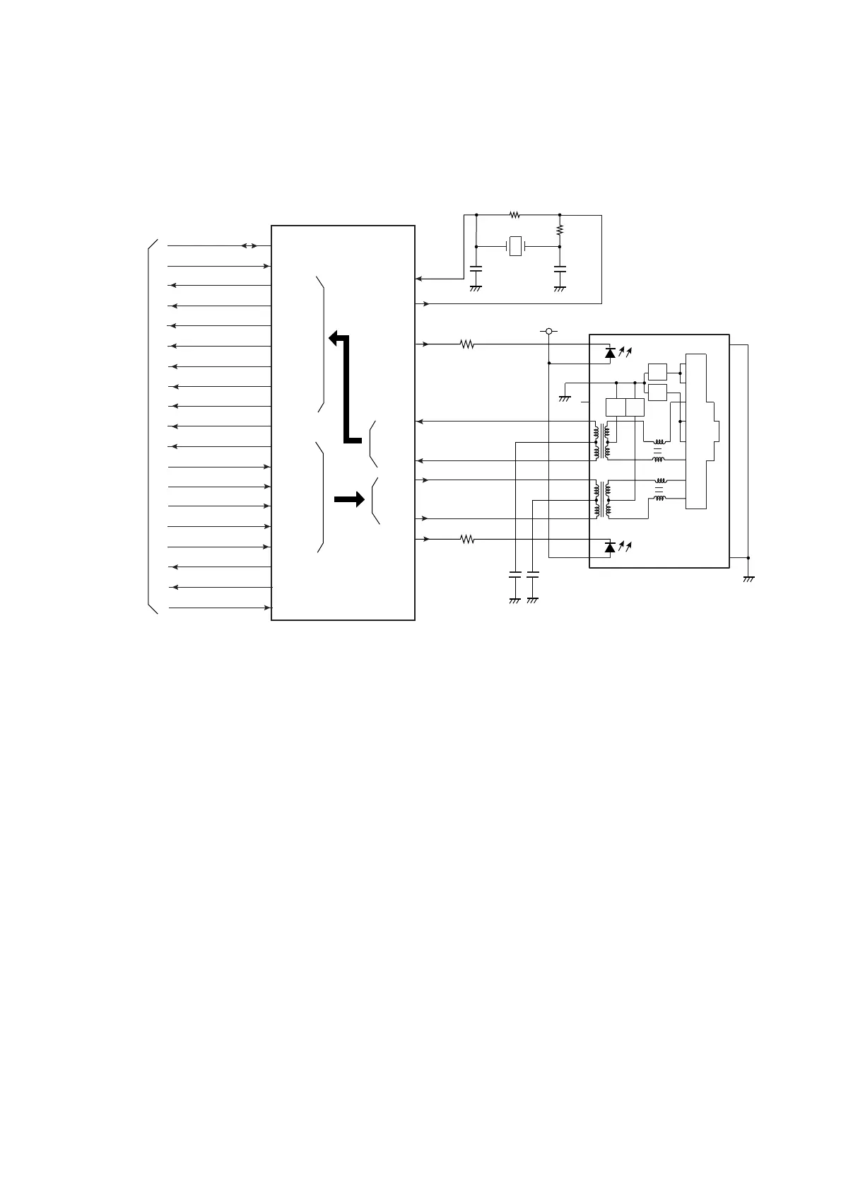
(6) Wired LAN I/F circuit
The Wired LAN I/F circuit interfaces with the Ethernet (100BASE-TX / 10BASE-T).
Transmission is done between the CPU (U1A) and the Ethernet via U21 (Drivers, Receivers &
Transceivers).
The 25 MHz clock is output to U21 from the crystal oscillator X2.
[SA Main PCB]
1
2
3
4
5
6
7
8
G
Y
1
2
3
4
5
6
7
8
9
X2
R159
C168
C169
R158
25MHz
10Base-T/100Base-TX
Ethernet
U21
LED0
31
+3.3V
Divers, Receivers & Transceivers
12
11
75
75
75
75
10
LED1
30
R160
R161
RXM
4
C171
C170
14
13
RXP
5
TXM
6
TXP
7
KSZ8081MNXCA
ET_RXD2
ET_RXD1
ET_RXD0
ET_MDIO
ET_MDC
ET_RXD3
nETINTP
ET_TXCLK
ET_TXEN
ET_RXDV
ET_RXCLK
ET_RXER
ET_TXD2
ET_TXD3
ET_COL
ET_TXD0
ET_TXD1
ET_CRS
RXD1
RXD0
RXD2
MDC
RXD3
MDIO
RXDV
18
11
12
13
14
15
16
19
20
21
22
23
24
25
26
27
28
29
TXEN
TXD0
TXC
RXER
INTRP
RXC
TXD1
CRS
TXD3
COL
TXD2
To/From
U1A (CPU)
XI
9
XO
8
nRSTIF
32
nRST
J14
RJ45 Connector

Table of Contents

Related product manuals