EasyManua.ls Logo

Comdial G0408 - Page 230

Default Icon
438 pages
Print Icon
To Next Page IconTo Next Page
To Next Page IconTo Next Page
To Previous Page IconTo Previous Page
To Previous Page IconTo Previous Page
Loading...
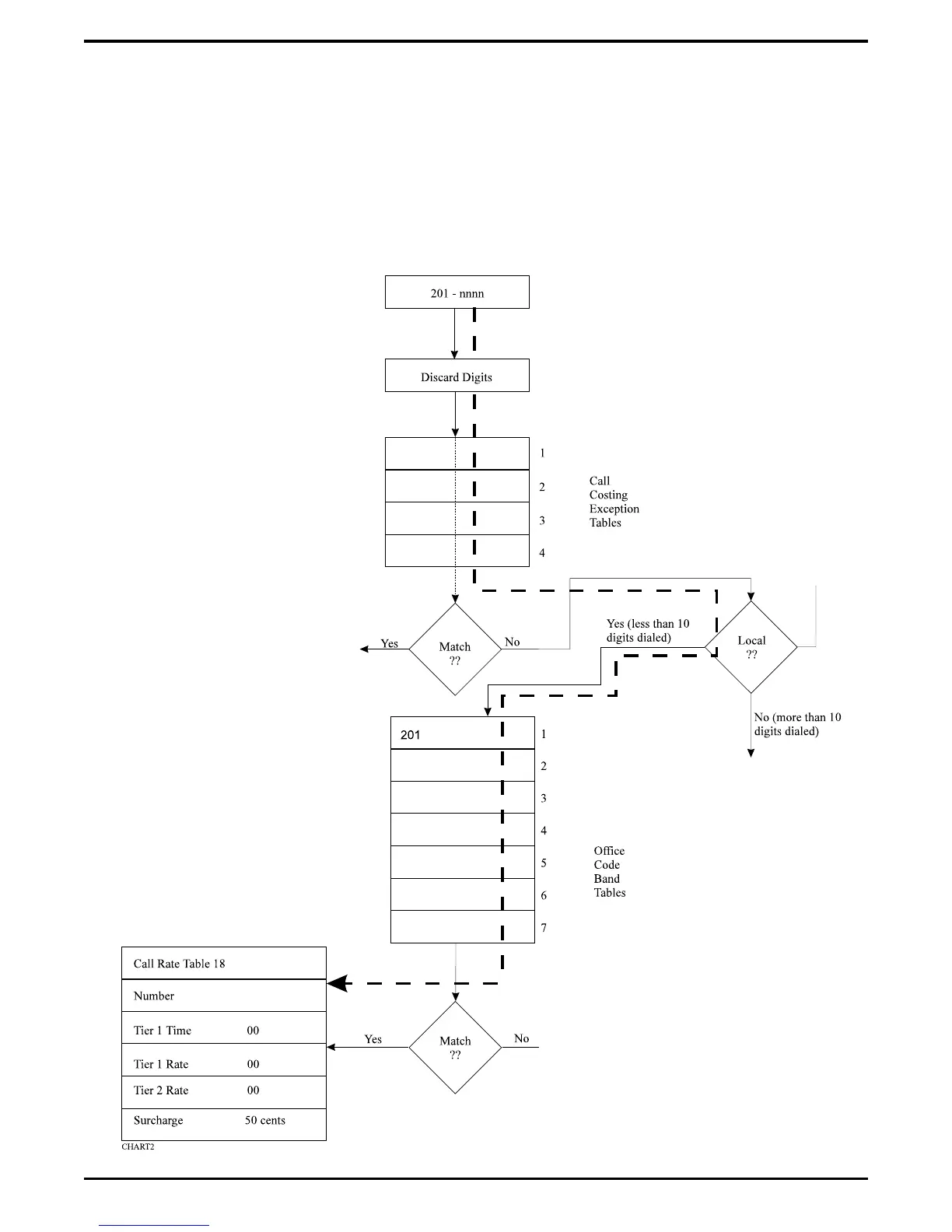
Example A For Local Dialing Sequence
(201-nnnn)
For this example, assume that you have installed the digital telephone system in a location where callers
have an opportunity to dial number combinations that contain a common sequence in both the area and
office code.
The illustrated sequence is a local call (less than 10 digits) and 201 is the office code. Program call rate 18
to cost calls of this sequence. Also program the office code band table by assigning office code 201 into
band one. Note that the band tables accept unlimited entries.
Digital Telephone System IMI66–107
3 – 118 System Programming

Table of Contents