EasyManua.ls Logo

Condair UDC - Page 75

Condair UDC
148 pages
Print Icon
To Next Page IconTo Next Page
To Next Page IconTo Next Page
To Previous Page IconTo Previous Page
To Previous Page IconTo Previous Page
Loading...
75Condair RCC and RCC-NA
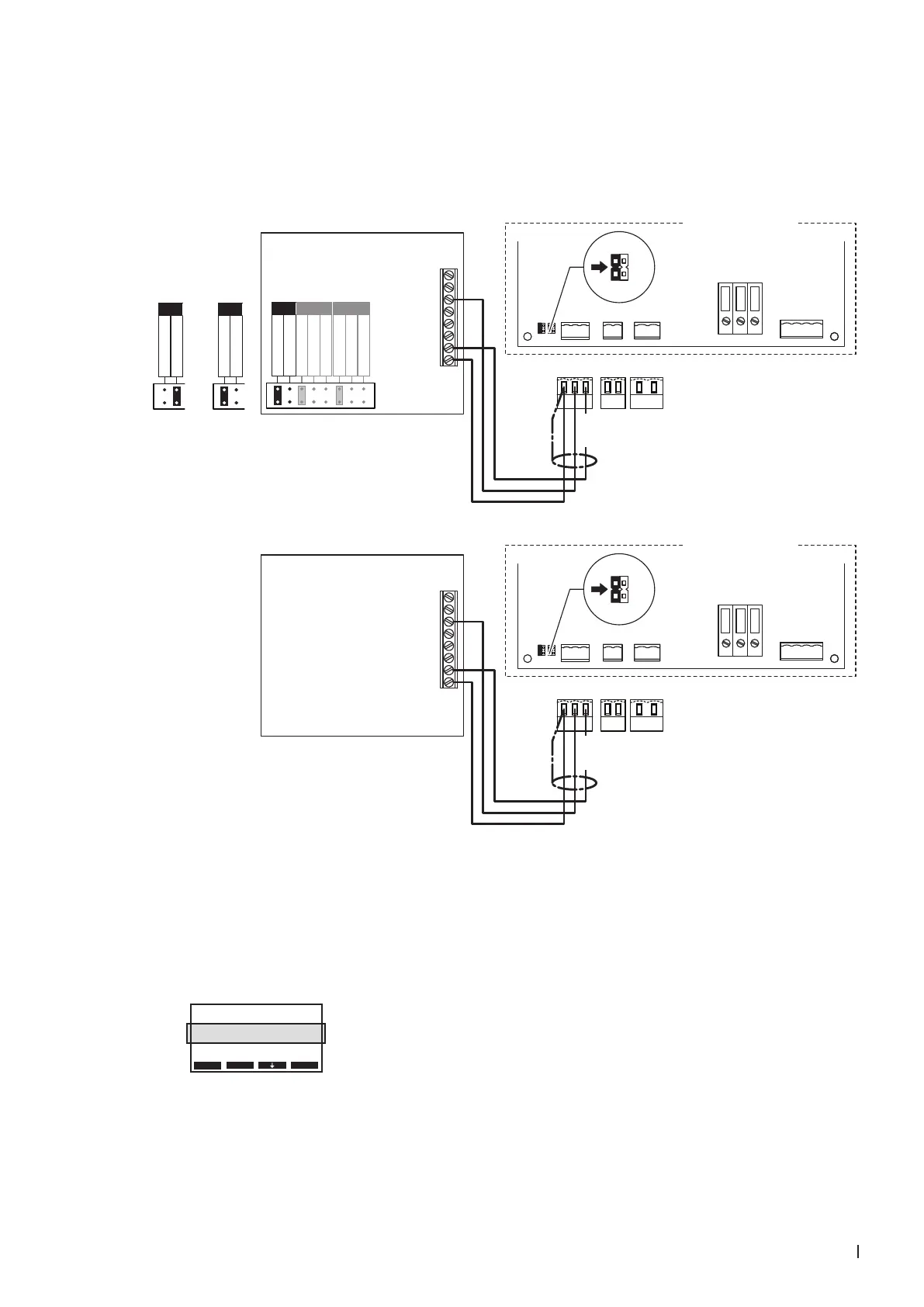
5.8.3 Connecting the RCC or RCC-NA to the Condair CP3mini
1. Connect the Condair RCC or RCC-NA to the corresponding terminals of terminal block "X1" on the
power board of the Condair CP3mini according to the appropriate wiring diagram below.
Note: The voltage supply of the RCC or RCC-NA is established via the terminals "V+" and "GND"
of terminal block "X1" or via an external 24 V AC/DC voltage supply.
CONT.SIGN LIM.SIGN
V+ LIMGND
GND CTRL
X1 X4 X6
CTRL V+
1 21 21 2 3
GND
BASIC
0-10V
On/Off
24V
5V
PRO
JP4
JP3
JP2
JP1
LIMGND SC1SC2
SAFETY
SC1SC2
24V
5V
JP2
JP1
Condair CP3 mini
PWR
MAIN SUPPLY
X9
L
N PE
X8
N L SW N SWL
8
7
UI2
6
5
4
3
2
1
UI1
AO1
24 V
0V/GND
RCC
**
0...10 V
0...20mA
RT or Dry-Contact
RT or Dry-Contact
UI1 UI2
0...10 V
0...20mA
0...10 V
0...20mA
AO
0...10V
**
0...10 V
0...20mA
AO
0...20mA
0...10 V
0...20mA
AO
24 VDC
CONT.SIGN LIM.SIGN
V+ LIMGND
GND CTRL
X1 X4 X6
CTRL V+
1 21 21 2 3
GND
BASIC
0-10V
On/Off
24V
5V
PRO
JP4
JP3
JP2
JP1
LIMGND SC1SC2
SAFETY
SC1SC2
24V
5V
JP2
JP1
Condair CP3 mini
PWR
MAIN SUPPLY
X9
L
N PE
X8
N L SW N SWL
8
7
UI2
6
5
4
3
2
1
UI1
AO1
24 V
0V/GND
RCC-NA
24 VDC
Power board
Condair CP3mini
Power board
Condair CP3mini
2. On the power board of the Condair CP3mini: set a Jumper on JP2-24 V and remove the Jumper on
JP1-5V (if a jumper is set).
3. Only for RCC: Set the output signal of the RCC to "0-10V" using the jumpers "AO".
4. Set the Condair CP3mini into operation, go to the setup level of the unit software and set the pa-
rameters "Hum.Control" to "External", "Controlsign." to "0-10V" (refer to the Condair CP3mini
installation and operation manual).
Controls
Hum.Control :External
Controlsign.:0-10V
Lim. Control:O
SignalSource:Analog
Esc Set

Table of Contents

Related product manuals