EasyManua.ls Logo

Critical Environment Technologies FCS - Wiring Internal Analog Inputs (Option -AI)

Critical Environment Technologies FCS
60 pages
Print Icon
To Next Page IconTo Next Page
To Next Page IconTo Next Page
To Previous Page IconTo Previous Page
To Previous Page IconTo Previous Page
Loading...
© 2021 All rights reserved. Data subject to change without notice. 25
Rev. C | 2021.12 FCS - Installation Manual
6.10 Wiring Internal Analog Inputs (Option -AI)
The FCS does not have any internal analog inputs unless the optional Analog Input board has
been installed (Option -AI) on the main board. Option -AI and Option -2AI are factory installed
at the time of order.
The FCS provides 24 VDC (low voltage power) to the Analog Input Terminal on the optional
-AI board, which can accommodate up to a total of eight internal analog inputs, if two -AI
boards are installed (Option -2AI).
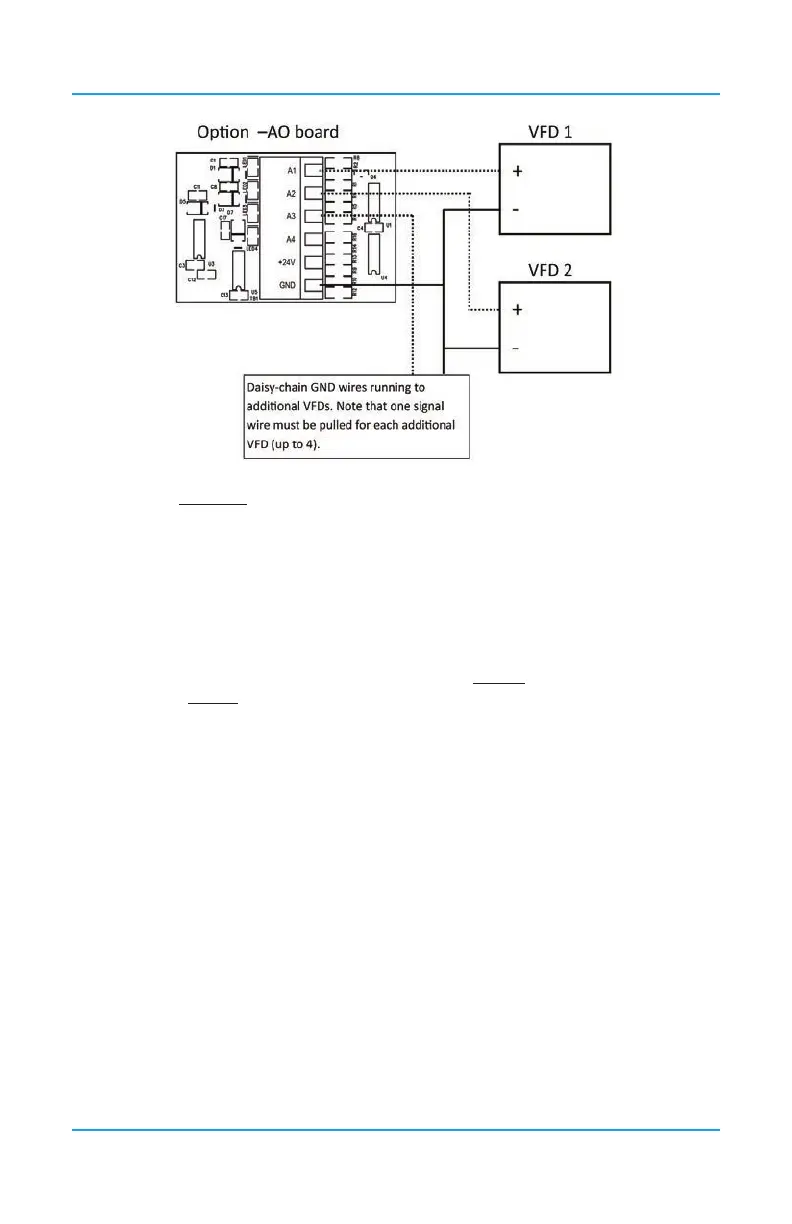
NOTE: If two -AI boards are installed, there cannot be any internal analog outputs (Option
-AO). If required, remote analog outputs may be added by using one or more LNK-AO
Peripheral Devices connected to the LAN Terminal on the main FCS board. Refer to Section
6.11 Wiring LNK-AO Peripheral Device (additional Analog Outputs) for wiring the LNK-AO to
the FCS.
A1 through A4 on the Analog Input Terminal on the -AI board provides up to four connections
for analog inputs such as the LPT and/or the LPT-A transmitters. Eight connections are
available if two -AI boards are installed.
Four-conductor, 16 gauge, stranded wire / cable shielded in conduit should be used when
connecting the FCS to an analog transmitter. The voltage supplied by the FCS Controller
to each remote analog transmitter should measure approximately 24 VDC nominal at the
transmitter(s). If this voltage is not attained after installation, the wrong gauge wire may have
been used or the wiring run is too long.
NOTE: Under most local electrical codes, low voltage wires cannot be run within the same
conduit as line voltage wires.
The enclosures of the LPT family of transmitters and CGAS-A Gas Detectors have several
conduit entry locations (general purpose enclosure). Under most local electrical codes, low
voltage wires cannot be run within the same conduit as line voltage wires.

Table of Contents