EasyManua.ls Logo

CSC TT250 - Electrical Schematic

CSC TT250
125 pages
Print Icon
To Next Page IconTo Next Page
To Next Page IconTo Next Page
To Previous Page IconTo Previous Page
To Previous Page IconTo Previous Page
Loading...
TT250Owner’s andServiceManual
www.CSCMotorcycles.com
120
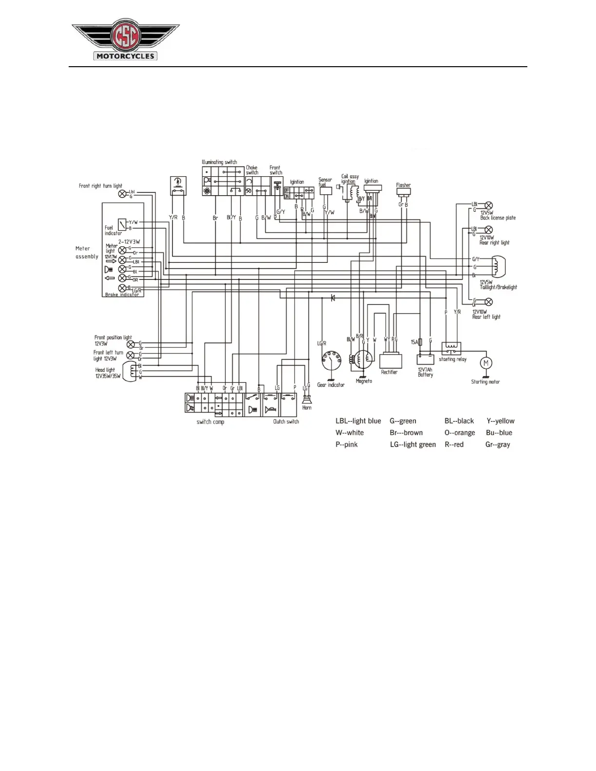
ElectricalSchematic

Table of Contents

Related product manuals