EasyManua.ls Logo

Danfoss VLT FC 103 - Page 94

Danfoss VLT FC 103
170 pages
Print Icon
To Next Page IconTo Next Page
To Next Page IconTo Next Page
To Previous Page IconTo Previous Page
To Previous Page IconTo Previous Page
Loading...
e30bd824.10
91
92
93
F1
gL/UR
L
1
L
2
PE
Motor
U V W PE
96 97 95 93
FC 103
M MM
* * *
Cables
Ltot. max. = 40 mm
53/54
12
18
55
27
Control signal
0-10 V or
4-20 mA
Motors insulation class B minimum
Alarm
Start
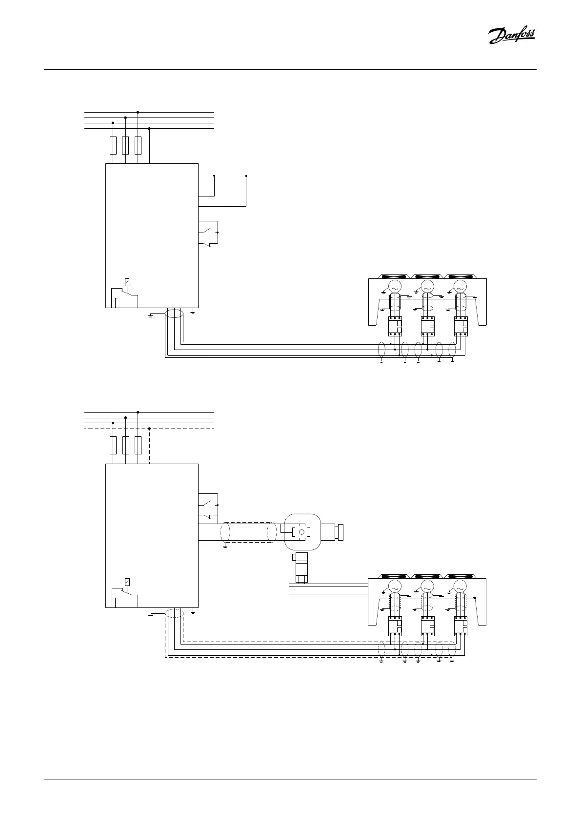
Illustration 43: Speed Control Using Analog Reference (Open Loop) – Single Fan or Pump/Multiple Fans or Pumps in Parallel
91
92
93
F1
gL/UR
L
1
L
2
PE
Motor
U V W PE
96 97 95 93
FC 103
M MM
* * *
Cables
Ltot. max. = 40 mm
12
18
55
27
Motors insulation class B minimum
Alarm
54
Start
e30bd823.10
Illustration 44: Pressure Control in Closed Loop – Standalone System - Single Fan or Pump/Multiple Fans or Pumps in Parallel
Recommended motor cable types are:
Wiring Configuration Examples
Operating Guide | VLT® Refrigeration Drive FC 103
AQ275652766279en-000101 / 130R0707
92 | Danfoss A/S © 2020.01

Table of Contents

Other manuals for Danfoss VLT FC 103

Related product manuals