EasyManua.ls Logo

DaVinci fireplace - Wiring Diagram and Final Adjustments

Default Icon
84 pages
Print Icon
To Next Page IconTo Next Page
To Next Page IconTo Next Page
To Previous Page IconTo Previous Page
To Previous Page IconTo Previous Page
Loading...
Installation (for qualified installers only) 79
© Travis Industries 4150126 100-01418
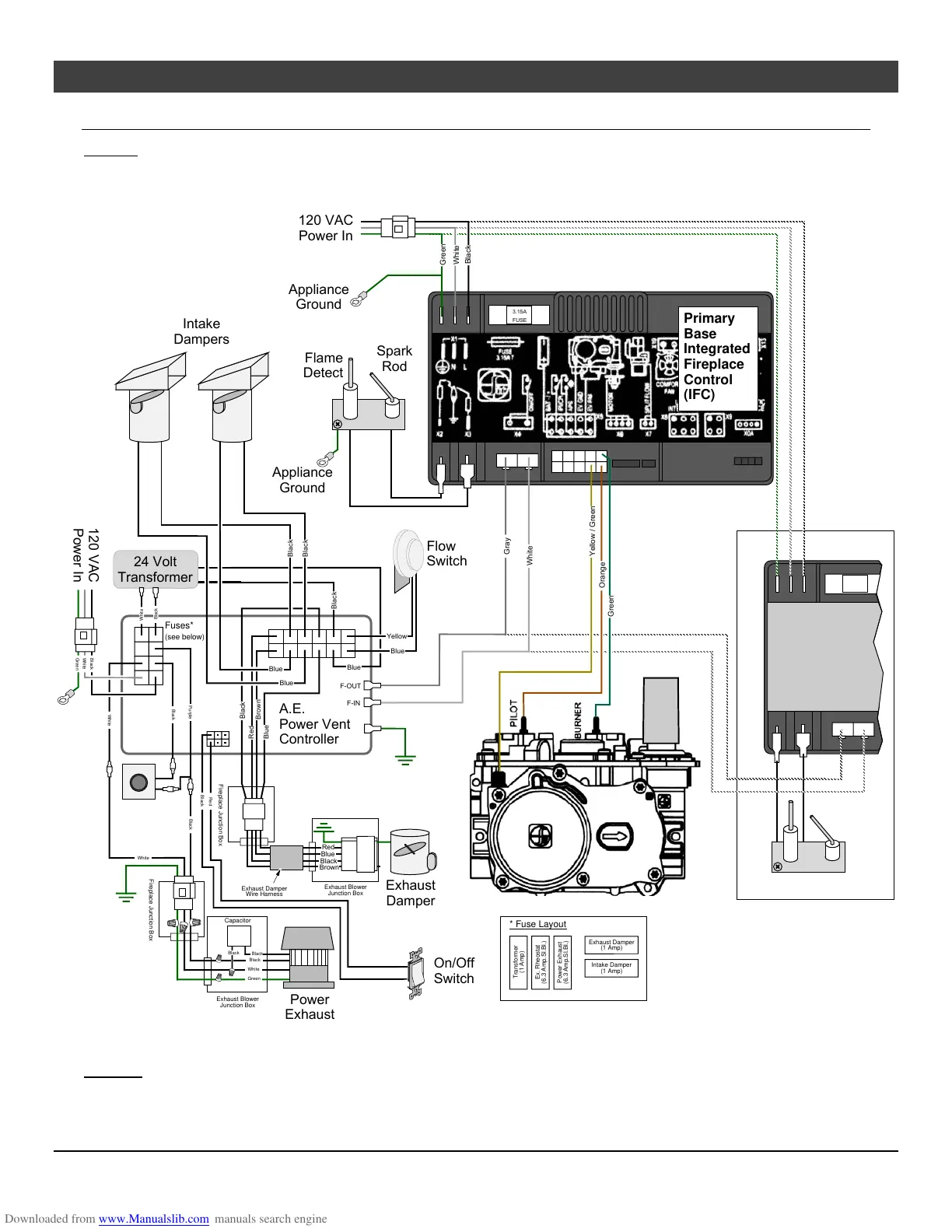
Wiring Diagram
Caution: Label all wires prior to disconnection when servicing controls. Wiring errors can cause improper and
dangerous operation. Verify proper operation after servicing.
Warning: Do not disconnect or alter the flow switch wiring. This is a safety component that is critical to the safety of
this fireplace.
3.15A
FUSE
Secondary
Base
Integrated
Fireplace
Control (IFC)
Category 2













































































3.15A
FUSE
Green
Exhaust
Damper
Fireplace Junction Box
Appliance
Ground
Spark
Rod
Appliance
Ground
Green
Yellow / Green
120 VAC
Power In
White
Flame
Detect
Black
White
Green
Orange
Flow
Switch
24 Volt
Transformer
Intake
Dampers
Power
Exhaust
Exhaust Blower
Junction Box
White
Capacitor
Green
Black
Black
Black
Fireplace Junction Box
A.E.
Power Vent
Controller
Exhaust Blower
Junction Box
Exhaust Damper
Wire Harness
Blue
Black
Brown
Red
Blue
Red
Brown
Blue
Yellow
Blue
Blue
Black
Black
Black
Black
Blue
White
Black
Purple
Black
Black
Black
White
White
120 VAC
Power In
White
F-OUT
F-IN
Gray
Black
Red
On/Off
Switch
Fuses*
* Fuse Layout
Primary
Base
Integrated
Fireplace
Control
(IFC)
Transformer
(1 Amp)
Ex. Rheostat
(6.3 Amp.Sl.Bl.)
Power Exhaust
(6.3 Amp.Sl.Bl.)
Exhaust Damper
(1 Amp)
Intake Damper
(1 Amp)
(see below)

Table of Contents