EasyManua.ls Logo

dbx DriveRack 240 - Input and Output Section Diagrams

dbx DriveRack 240
69 pages
Print Icon
To Next Page IconTo Next Page
To Next Page IconTo Next Page
To Previous Page IconTo Previous Page
To Previous Page IconTo Previous Page
Loading...
®
1-4
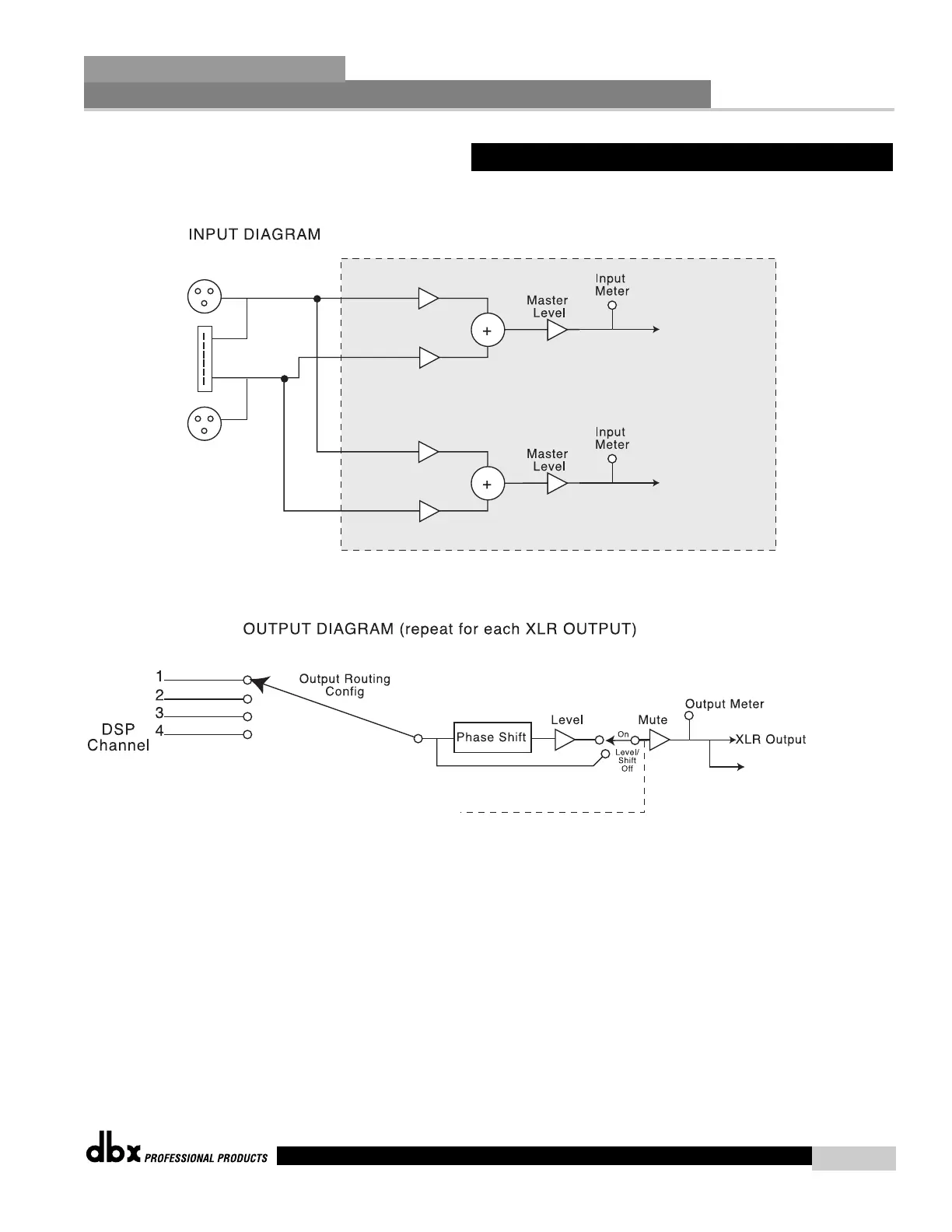
Input 1 Gain
DSP
Limiter Level Detect
DSP Input 1
Euroblock
DSP Input 2
XLR 1
XLR 2
Euroblock
Input 2 Gain
Input 1 Gain
Input 2 Gain
A.8 Input and Output Diagrams
Appendix A
DriveRack
DriveRack™ User Manual
57

Table of Contents

Related product manuals