EasyManua.ls Logo

Devolo dLAN 200 AVpro - Initial Use and Setup

Devolo dLAN 200 AVpro
60 pages
Print Icon
To Next Page IconTo Next Page
To Next Page IconTo Next Page
To Previous Page IconTo Previous Page
To Previous Page IconTo Previous Page
Loading...
devolo dLAN® 200 AVpro Project Manual
13
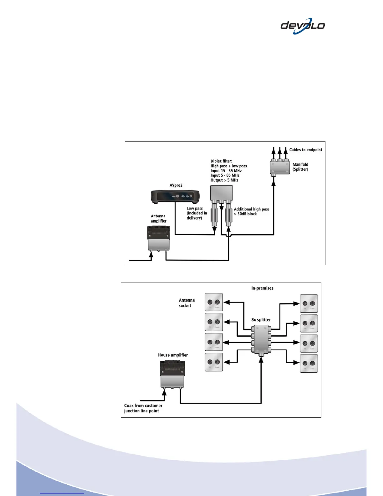
3.5.1 Coupling the Ethernet signal to the antenna cable
The illustration filter below shows an example of coupling the devolo dLAN 200
AVpro signals onto the antenna cable on the main distribution (Master). This can be
achieved with a diplex filter (reverse path combiner). On the one hand, the high-pass
filter prevents signals radiating in the direction of the cable network operator, and,
on the other, it prevents neighbouring segments from "seeing" one another, and
hence sharing the bandwidth. using such as the filter ensures that each segment can
use the entire bandwidth. In the apartment or rooms (endpoint), the adapter is
usually connected via the radio or antenna socket (see Fig. 3.11 and Section 3.3.2).
Fig. 3-8: Coupling the signals in-premises with a diplex filter
Fig. 3-9: Antenna system before connecting the adaptor over the antenna outlets

Table of Contents

Other manuals for Devolo dLAN 200 AVpro

Related product manuals