EasyManua.ls Logo

Digiplex DGP-48 - Installation Procedures (Continued); Auxiliary Power Output Details

Digiplex DGP-48
58 pages
Print Icon
To Next Page IconTo Next Page
To Next Page IconTo Next Page
To Previous Page IconTo Previous Page
To Previous Page IconTo Previous Page
Loading...
8 REFERENCE & INSTALLATION MANUAL
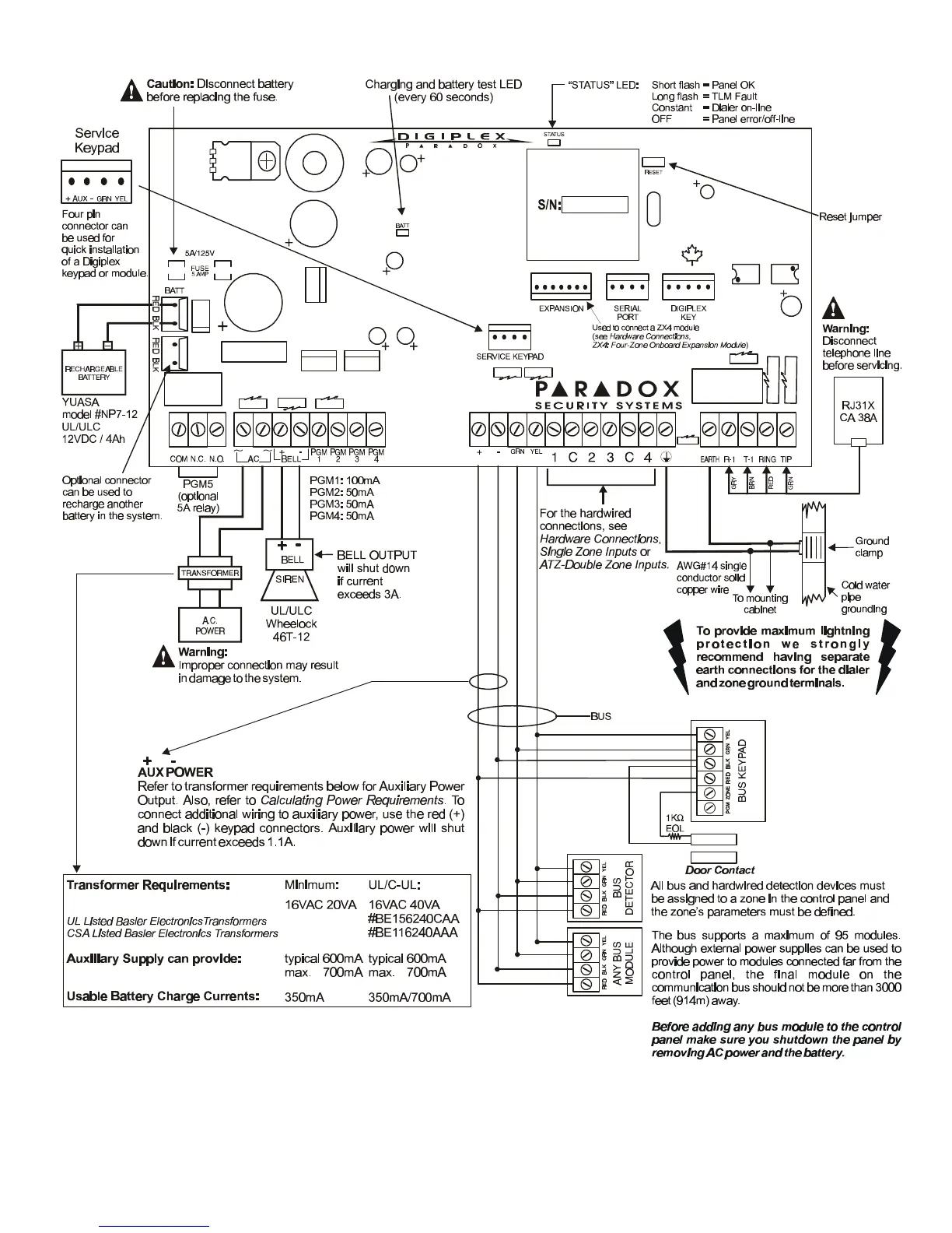
Figure 3-3: Digiplex Control Panel PCB Layout

Table of Contents