EasyManua.ls Logo

Duke FBB-EO-208 - Electrical Schematic Diagram

Duke FBB-EO-208
40 pages
Print Icon
To Next Page IconTo Next Page
To Next Page IconTo Next Page
To Previous Page IconTo Previous Page
To Previous Page IconTo Previous Page
Loading...
Service Manual for Flexible Batch Broiler Units
36
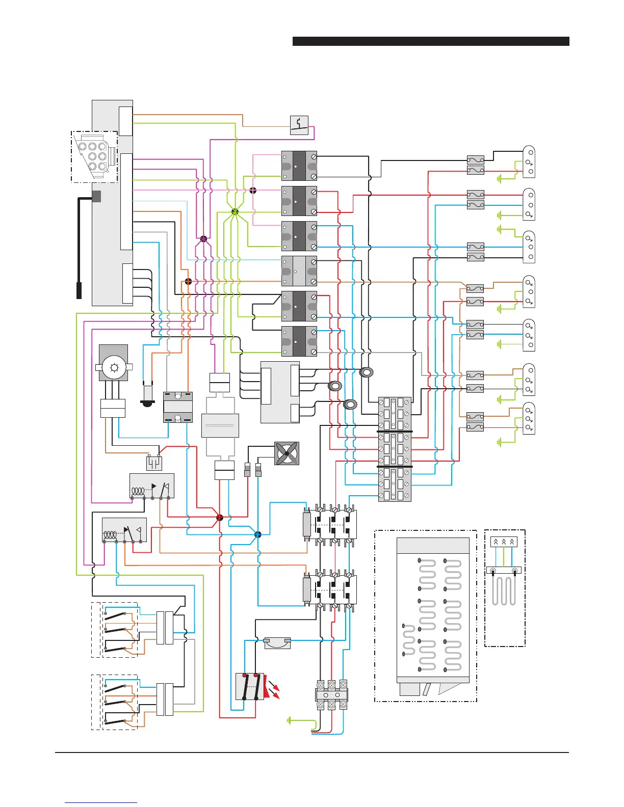
ELECTRICAL SCHEMATIC – FLEXIBLE BATCH BROILER
SSR-1
PUR 70
BLK 28
BLK 31
RED 26
RED 32
ORN33
Heatsink
Thermo
Limit
YEL 67
PUR 69
YEL 66
PUR 68
YEL 65
YEL 62
YEL 61
ORN 73
BLK 74
BLK 75
GRN 73a
RED 71
WHT 51
BLK 41
RED 81RED h1
RED 42
BLK h3 BLK 83
BLU 43
BLU 82BLU h2
RED h4
RED h4b
BRN 47
ORN 45
BLK 86
WHT 46
WHT 36
BLU 35
BRN 37
RED 87
YEL 44
BLU 85
BLU h5
BLU 24
RED 84
BLU h5
RED h1
RED 26
BLK h6
BLK 28
BLK h3
ELEMENT
TERMINAL
BLOCK
BLU h2
BLU 25
RED 27
BLU 24
BLK 29
1
2
3
ht 1
+
+
1
2
3
ht 2
+
+
1
2
3
ht 3
+
+
1
2
3
ht 4
+
1
2
3
ht 5
+
1
2
3
ht 6
+
1
2
3
ht 4b
4
5 6
4b
L1
~~
T1
SSR-2
L1
~~
T1
SSR-3
L1
~~
T1
SSR-4
L1
-+
T1
SSR-5
L1
~~
T1
SSR-6
L1
~~
T1
BLK
101
102
103
BLK
RED
BLK
RED
BLU
BLU
104
Heatsink
Fan
BLK
Current PCB
#1
#2
#3
1
2
3
4
1
2
2
1
3
4
BLK
1a
RED
2a
BLU
3a
CT2
COIL
CT1
COIL
Power
Switch
10A
BREAKER
BLK 1
L3
RED 2
L2
BLU 3
L1
MAINS
TERMINAL
BLOCK
LINE SUPPLY
208/240V~ 3P
Rear View - Element Location
ht1,2 & 3 = 3300W ht4,5 & 6 = 3800W ht4b = 2200W
Controls Side
ht4b
ht4
ht1
ht5
ht2
ht6
ht3
Typical
Heating
Element
L1 L1 L1 L2 L2 L2 L3 L3 L3
+
-
Conveyor
SSR
24V~ Sec.
Primary
L1
T1
XFMR
Conveyor Motor
Cap.
4µF
K2
(TOP)
N.O.
Com
N.C.
K1
(BOTTOM)
NO
Com
NC
3 2 1
3 2 1
2 1
2 1
2 1
2 1
J 1
J 2
6
9
7
5
8
1
4
3
2
6
Controller PCB
CAVITY THERMOCOUPLE
1
2
3
4
1
12
J1 & J2
Load
Light
BLU 54
ORN 60
+
ORN 59
GRY 58
BRN
BLK
BLK
BLK
BLU
BLU
ORN
RED 52
RED 74
RED 75
RED 74
Side Panel Magnet
*Properly instaled interlocked panels shown
with & in normal operation mode.K1 K2
RED 12
YEL 13
RED 20
BLU 76
BLU 8
YEL 64
YEL 11
RED 10
YEL 15
RED 14
YEL 24
YEL 17
RED 23
WHT 77A
BLK 76A
BLU 76
BLK 77
ORN 21 ORN 21
YEL 19
BLK 9
BLU 8A
BLK 77
Side Safety Interlock
BLK
BLU
WHT
BRN
BRN 22BRN 22
RED 75
RED 18
YEL 53
BLU 54
PUR 55
BLK 56
RED 57
GRY 58
ORN 59
GRN 73a
101
102
103
104
WHT 51
YEL 50
RED 71
YEL 50
YEL 64
YEL 73
RED 72
YEL 73
YEL61
YEL 62
RED 52
RED 57
4
3
2
1
4
3
2
1
4
3
2
1
4
3
2
1
N.O.
N.C.
N.O.
Rear Panel Magnet
Rear Safety Interlock
BLK
BLU
WHT
BRN
N.O.
N.C.
N.O.
31 2
Electric FBB, 208/240V~ 3P
*Shown with power ON & in normal operation mode
177623C

Table of Contents

Related product manuals