EasyManua.ls Logo

ESAB ESD 7.5 - Wiring Diagram

ESAB ESD 7.5
68 pages
Print Icon
To Next Page IconTo Next Page
To Next Page IconTo Next Page
To Previous Page IconTo Previous Page
To Previous Page IconTo Previous Page
Loading...
APPENDIX
0463 751 001
- 38 -
© ESAB AB 2023
APPENDIX
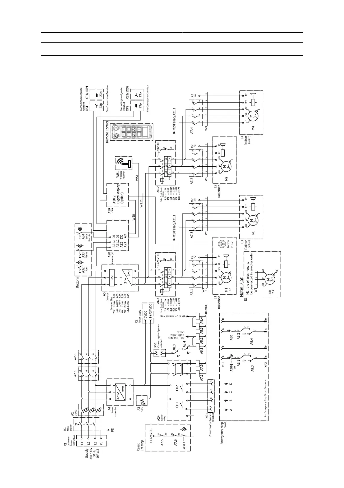
WIRING DIAGRAM

Table of Contents

Related product manuals