EasyManua.ls Logo

Fluke 9100 - Page 238

Fluke 9100
386 pages
Print Icon
To Next Page IconTo Next Page
To Next Page IconTo Next Page
To Previous Page IconTo Previous Page
To Previous Page IconTo Previous Page
Loading...
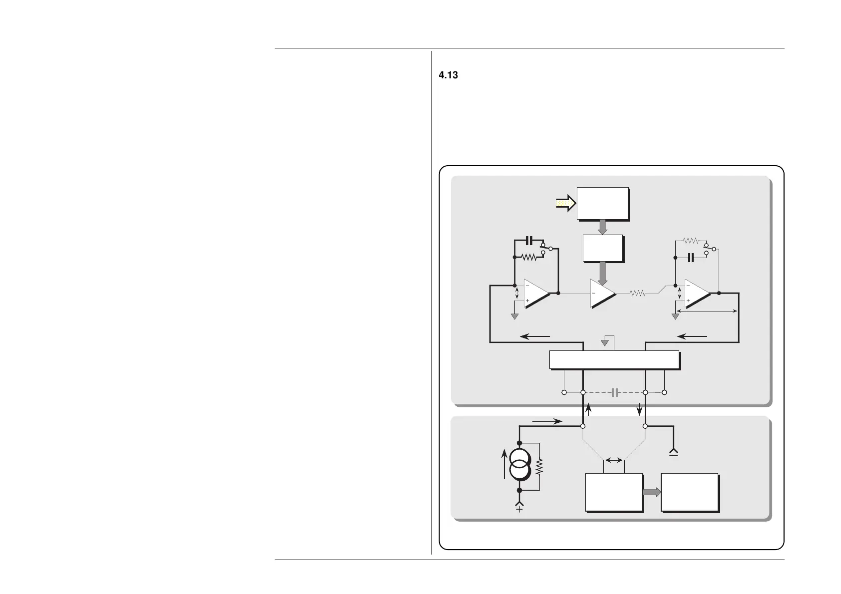
4.13-10 Section 4: Using the Model 9100: Capacitance Function
Final Width = 215mm
Fig. 4.13.3 Model 9100 2-Wire Configuration for Capacitance Function
Model 9100
UUT
Hi Lo
Virtual C
T
Lead-Impedance Compensation Bridge
Voltage
Measurement
Capacitance
Calculation
and Display
Pseudo
Constant
Current
Source
V
C
Com
Sense Hi Sense Lo
I
C
I
c
Gain
Control
Total
Capacitance
Demand
G
C
IN
R
SET
C
STD
0V 0V
I
c
V
c
A
B
A
B
R
STD
R
IN
AA
AA
4.13.5.6 2-Wire Connection
If it is deemed absolutely necessary to use a two wire connection, the 9100 should be
informed by deselecting '
4 WIRE'. As illustrated in Fig.4.13.3, the 9100 will then
permanently short Hi to Hi Sense, and Lo to Lo Sense, so that at least the internal
protection circuitry is compensated. Measurements made by the UUT will, of course, still
include the resistance of the two interconnecting leads. Do not use 2-wire connections
when '
4 WIRE
' is selected on the 9100.

Related product manuals