EasyManua.ls Logo

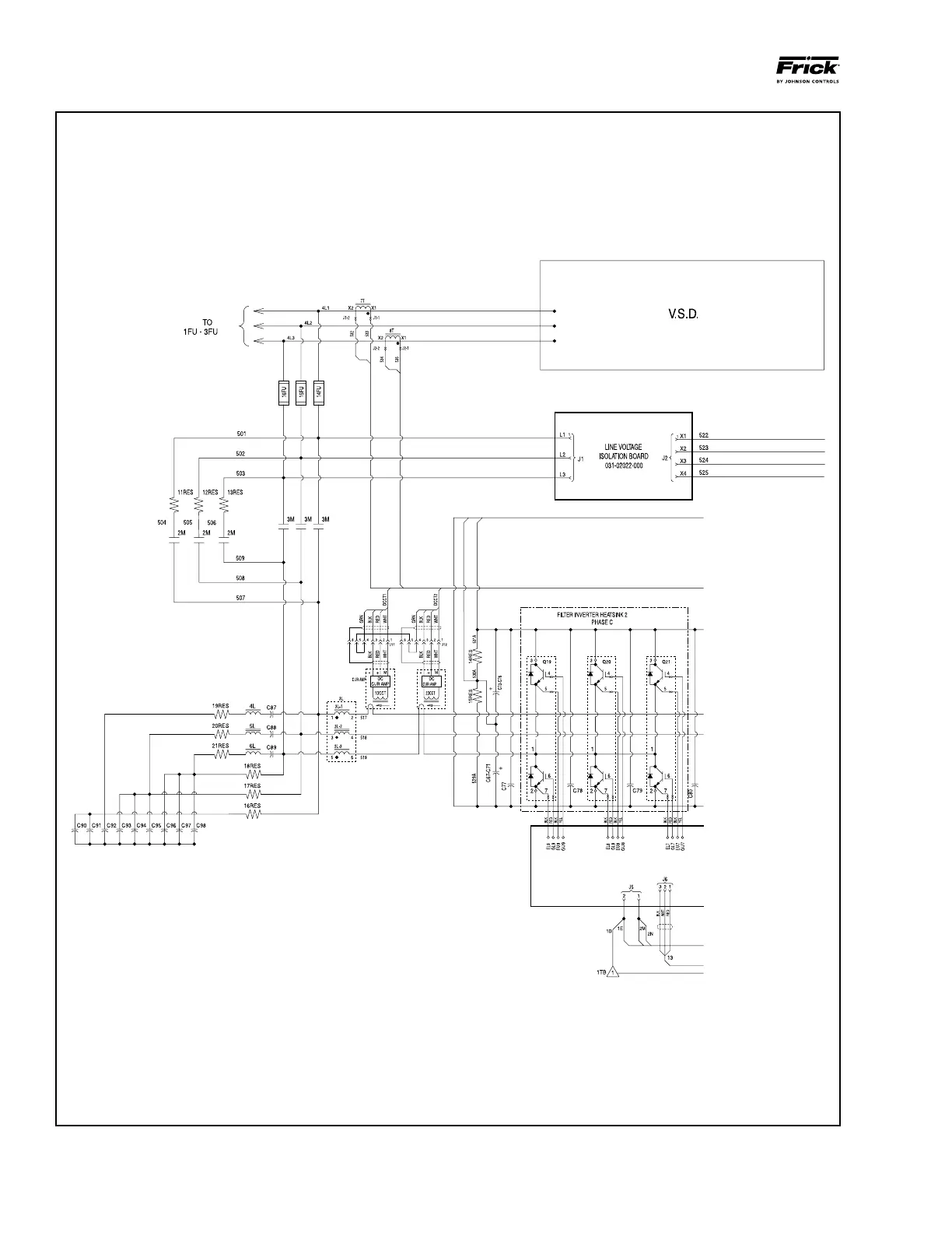
Frick Vyper 700 - Figure 5 A - Harmonic Filter Elementary Wiring Diagram

Frick Vyper 700
76 pages
Print Icon
To Next Page IconTo Next Page
To Next Page IconTo Next Page
To Previous Page IconTo Previous Page
To Previous Page IconTo Previous Page
Loading...
VYPER
VARIABLE SPEED DRIVE
INSTALLATION - OPERATION - MAINTENANCE
100-210 IOM (JUL 09)
Page 14
Figure 5A - Harmonic Filter Elementary Wiring Diagram
NOTE: Drawings for specific units can be
found in the door of the Vyper
TM
Drive or
check with Frick Engineering department.

Table of Contents

Related product manuals