EasyManua.ls Logo

FujiFilm NXT - Page 106

FujiFilm NXT
162 pages
Print Icon
To Next Page IconTo Next Page
To Next Page IconTo Next Page
To Previous Page IconTo Previous Page
To Previous Page IconTo Previous Page
Loading...
3. Machine Set Up QD002-07
98 NXT Setup Manual
MS3CN1
MS3CN3
M141
M141A
4M base
Module 5 ~ 8
C
N27
A
R
K
RH2143*
RH2141*
RH2142*
RH2012*
MS1CN1
MS1CN3
BCBCN18
Thermo fuse 2
Inverter bracket
Inverter bracket
Vacuum pump box
Inverter bracket
Inverter bracket
Thermo fuse
Control box
I
/
F boar
d
CN6
NXTSET208Ea
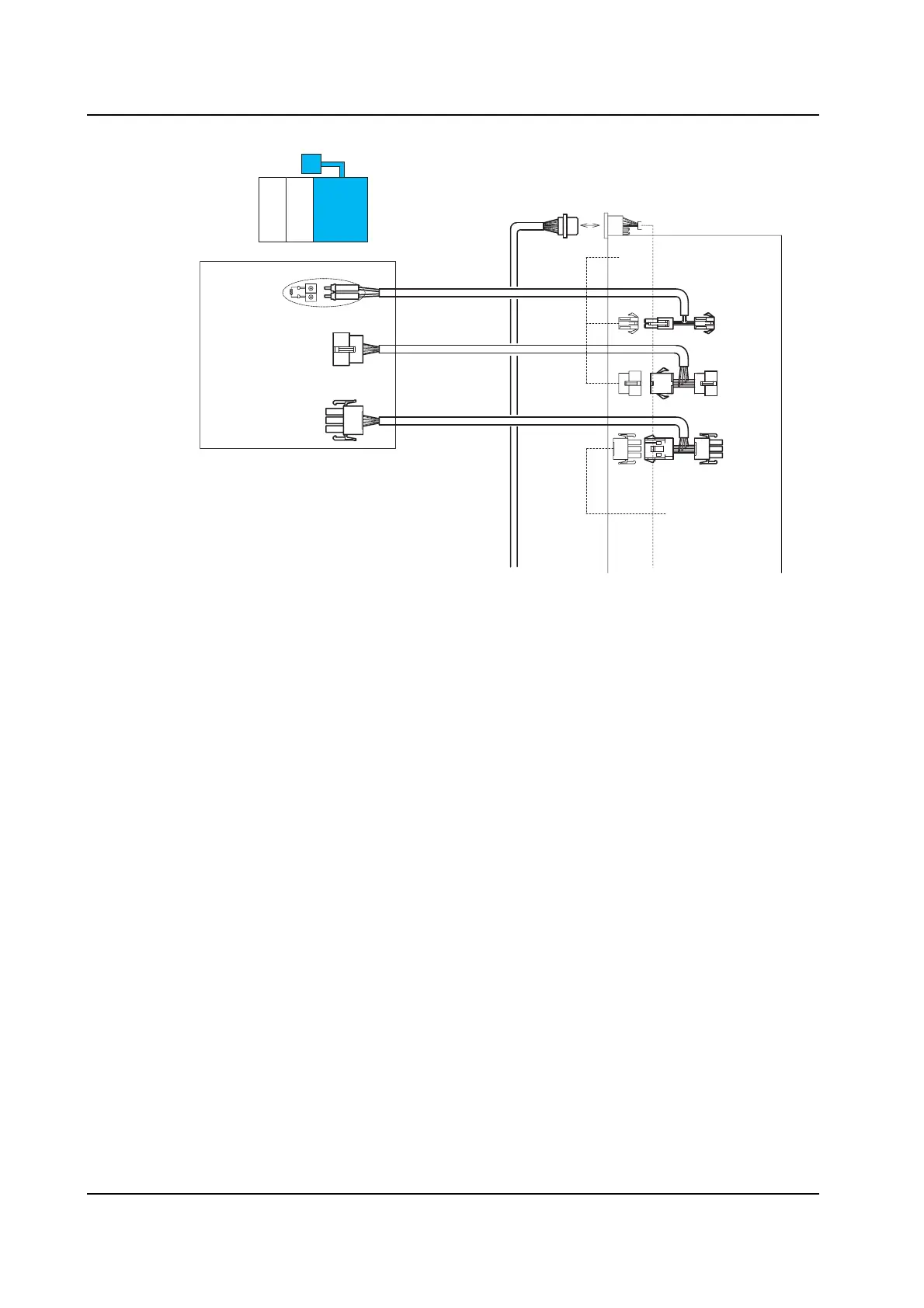
2M Base - 2M Base - 4M Base - Vacuum Pump Harness Connection Diagram (4/4)

Table of Contents