EasyManua.ls Logo

FujiFilm NXT - Fastening Extensions

FujiFilm NXT
162 pages
Print Icon
To Next Page IconTo Next Page
To Next Page IconTo Next Page
To Previous Page IconTo Previous Page
To Previous Page IconTo Previous Page
Loading...
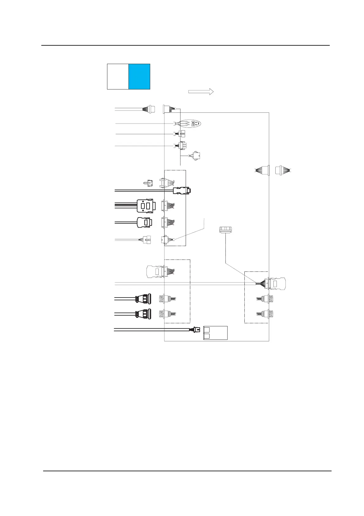
QD002-07 3. Machine Set Up
NXT Setup Manual 105
4M base
CN27B
CN28A
Right side
module cover
RH0528*
To I/F CN27
I/O R
Connected when
shipped
RH0259*
To HUB CH6
BLCN2
BLCN2
To module 4 harness connector
BLCN3
BLCN3
BLCN4
To I/F2 CN9
Connected when
shipped RH0067*
CN-M1
Panel loading
signal bracket
(Next stage)
CN-M1
CN-M2
Connected
when
shipped
RH0070*
CN-M2
Lane 2-F
Lane 2-R
Lane 1-F
Lane 1-R
Circuit breaker bracket 1
CN-1
RH0562*
RH1186*
RH1186*
RH1230*
RH0987*
RH0560*
RH0559*
RH0558*
CN-2
Thermo fuse 2
Inverter bracket
MS3CN3
Inverter bracket
MS3CN1
RH2133*
RH2130*
RH2131*
RH2012*
Panel flow
4M Base - 4M Base Harness Connection Diagram (2/2)
NXTSET210Ea
A
B
C
D
E
F
G
H
I
J
K
L
Panel loading
signal bracket
(Previous stage)

Table of Contents