EasyManua.ls Logo

Fuso eCANTER - Page 199

Default Icon
221 pages
Print Icon
To Next Page IconTo Next Page
To Next Page IconTo Next Page
To Previous Page IconTo Previous Page
To Previous Page IconTo Previous Page
Loading...
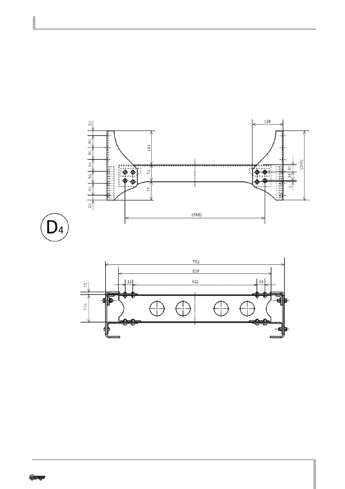
10 Technical data
10.5 Frame structure
T15
MITSUBISHI FUSO body/equipment mounting directives for eCanter Issue date: 20. 10. 2020
! Only print out complete sections from the current version

Table of Contents

Related product manuals